Operation CHARM: Car repair manuals for everyone.
Manuals through 2025 now available!

Our trusted friends have launched a new website named LEMON, which has newer manuals. It also contains all the CHARM manuals.

LEMON is the spiritual successor to CHARM, I recommend you try it!

Link: lemon-manuals.la or lemon-manuals.org.ua

(Some people have issue connecting. LEMON is investigating. For now, use Firefox or change your DNS server)

Or, hide this message: temporarily or permanently

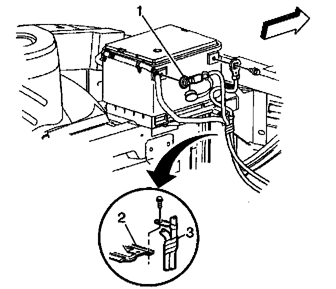
Battery Replacement





REMOVAL PROCEDURE

Caution: Refer to Battery Disconnect Caution in Cautions and Notices.

1. Disconnect the negative battery cable at the battery.
2. Remove any brackets or braces that are in the way.
3. Disconnect the positive battery (1) cable from the battery.
4. Remove the battery retainer bolt.
5. Remove the battery retainer.
6. Remove the battery.
7. Remove the insulator from the battery.

INSTALLATION PROCEDURE

1. Install the battery insulator to the battery.
2. Install the battery.

NOTE: Refer to Fastener Notice Cautions and Notices.

3. Connect the battery retaining bolt.

Tighten
Tighten the battery retaining bolt to 18 N.m (13 lb ft).

4. Install any brackets or braces that were removed.
5. Connect the positive battery cable (1).

Tighten
Tighten the positive battery cable to 16 N.m (12 lb ft).

6. Connect the negative battery cable.

Tighten
Tighten the negative battery cable to 16 N.m (12 lb ft).