Operation CHARM: Car repair manuals for everyone.
Manuals through 2025 now available!

Our trusted friends have launched a new website named LEMON, which has newer manuals. It also contains all the CHARM manuals.

LEMON is the spiritual successor to CHARM, I recommend you try it!

Link: lemon-manuals.la or lemon-manuals.org.ua

(Some people have issue connecting. LEMON is investigating. For now, use Firefox or change your DNS server)

Or, hide this message: temporarily or permanently

Convertible

WINDOW REGULATOR REPLACEMENT

REMOVAL PROCEDURE




1. Remove the trim panel.
2. Remove the door trim panel.
3. Peel the water deflector away from the door inner panel as necessary. Refer to Water Deflector Replacement - Door.

CAUTION: When it is necessary to operate the drivers side window during repairs, the power window may lock into the express down mode causing the window to lower fully without stopping even though the switch has been released. Failure to exercise caution around the regulator assembly when operating the switch may result in personal injury and/or regulator damage.

4. Loosen the nuts (3) in order to allow removal of the door glass from the regulator. Secure the door glass.




5. Remove the downstop bumper from the door frame.
6. Disconnect the window regulator wire connector (if equipped).

CAUTION: Eye protection must be worn when drilling rivets to reduce the chance of personal injury.




7. Punch out the center pins in order to remove the rivets (3). Drill out the rivets.
8. Remove the screws (2).
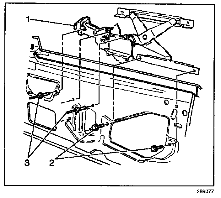
9. Remove the window regulator assembly (1) through the door inner panel access hole.
10. Glean any rivet debris from the bottom of the door.

INSTALLATION PROCEDURE




1. Install the window regulator assembly (1) through the door inner panel access hole.
2. Add LOCTITE 242 or equivalent to the screw threads.
3. Install the screws (2).
4. Install the rivets (3) that attach the window regulator assembly (1) to the door inner panel.




5. Connect the power window regulator wire connector (if equipped).
6. Install the downstop bumper to the door frame.

NOTE: Refer to Fastener Notice in Service Precautions.




7. Install the nuts (3) that attach the door window glass.

Tighten
Tighten the nuts (3) to 6 N.m (53 lb in).

8. Inspect the operation of the window regulator assembly.
9. Inspect for proper aligN.ment of the door window glass.
10. Install the water deflector.
11. Install the trim panel.
12. Install the door trim panel.