Operation CHARM: Car repair manuals for everyone.
Manuals through 2025 now available!

Our trusted friends have launched a new website named LEMON, which has newer manuals. It also contains all the CHARM manuals.

LEMON is the spiritual successor to CHARM, I recommend you try it!

Link: lemon-manuals.la or lemon-manuals.org.ua

(Some people have issue connecting. LEMON is investigating. For now, use Firefox or change your DNS server)

Or, hide this message: temporarily or permanently

Mirror Replacement

REMOVAL PROCEDURE

CAUTION: Disconnect the power window switch when working inside the drivers door. When operated, the Express Down feature allows the door window to drop very quickly, which could cause personal injury.

Mirror Replacement: Removal Procedure:




1. Lower the door window.
2. Remove the door trim panel.

Mirror Replacement: Removal Procedure:




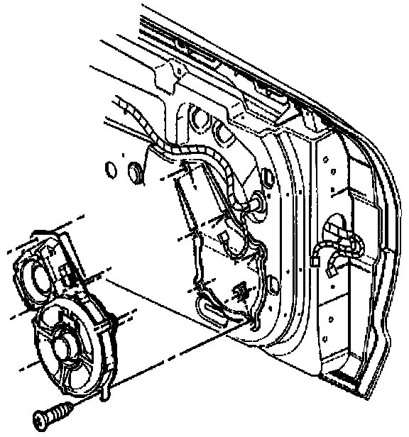
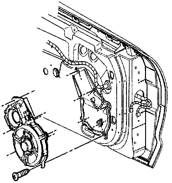
3. Remove the door speaker assembly.

Mirror Replacement: Removal Procedure:




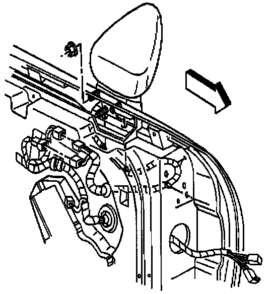
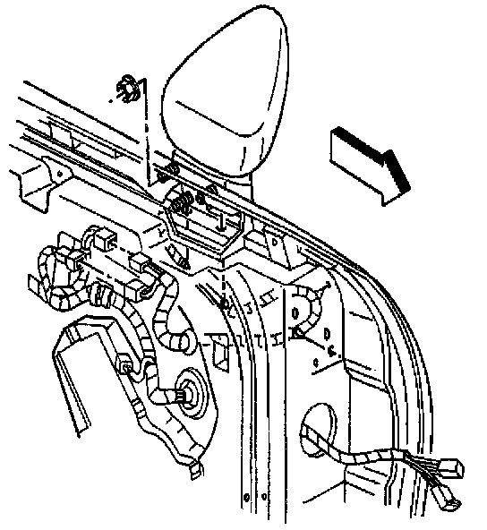
4. Remove the mirror nut access plugs.

Mirror Replacement: Removal Procedure:




5. Disconnect the electrical connector(s).
6. Disconnect the mirror harness from the retainers.
7. Remove the nuts from the mirror studs.
8. Remove the mirror with the harness and gasket.

INSTALLATION PROCEDURE

Mirror Replacement: Installation Procedure:




1. Position the mirror with the gasket and harness to the door.
2. Install the nuts to the mirror.

Tighten
The mirror nuts to 10 N.m (89 lb in).

3. Route the harness and secure the harness with the harness retainers.
4. Connect the electrical connector(s).

Mirror Replacement: Installation Procedure:




5. Install the mirror nut access plugs.

Mirror Replacement: Installation Procedure:




6. Install the door speaker assembly.

Tighten
Tighten the door speaker assembly screws to 2.5 N.m (22 lb in).

7. Connect the speaker connectors.

Mirror Replacement: Installation Procedure:




8. Install the door trim panel.