Operation CHARM: Car repair manuals for everyone.
Manuals through 2025 now available!

Our trusted friends have launched a new website named LEMON, which has newer manuals. It also contains all the CHARM manuals.

LEMON is the spiritual successor to CHARM, I recommend you try it!

Link: lemon-manuals.la or lemon-manuals.org.ua

(Some people have issue connecting. LEMON is investigating. For now, use Firefox or change your DNS server)

Or, hide this message: temporarily or permanently

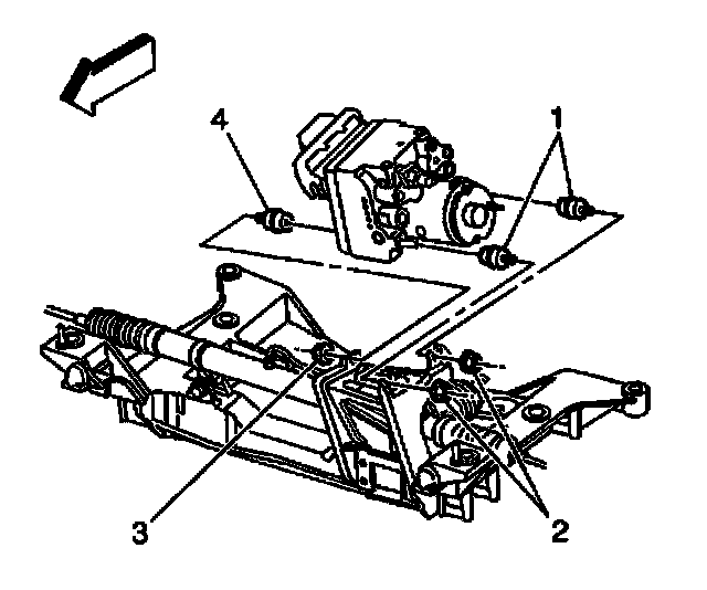
Front Mounted EBTCM\Bpmv

REMOVAL PROCEDURE

NOTICE: To prevent equipment damage, never connect or disconnect the wiring harness connection from the Electronic Brakes and Traction Control Module (EBTCM) with the ignition switch in the RUN position.

1. Turn the ignition switch to the OFF position.
2. Disconnect the EBTCM harness connector.





3. Remove the three insulator nuts (2) (3).
4. Lift the EBTCM/BPMV out of the bracket high enough to allow clearance to remove the insulator mounting bolt and the EBTCM.





5. Remove the insulator mounting bolt from the EBTCM.
6. Remove the four EBTCM to BPMV bolts.
7. Separate the EBTCM from the BPMV by gently pulling apart until separated. Be careful not to damage seal.

INSTALLATION PROCEDURE
1. Clean the BPMV gasket surface with alcohol using a clean rag.





2. Install the EBTCM to the BPMV.
- Tighten the four mounting bolts to 3 Nm (27 inch lbs.), then tighten to 6 Nm (53 inch lbs.).

NOTICE: Refer to Fastener Notice in Service Precautions.

IMPORTANT: If the insulator nut was removed it must be replaced with a new insulator nut (3).

3. Install the front EBTCM insulator mounting bolt.
- Tighten the EBTCM insulator mounting bolt to 14 Nm (10 ft. lbs.).





4. Install the EBTCM/BPMV into the bracket.
5. Install the three insulator nuts (2) (3).
- Tighten the three insulator nuts to 10 Nm (89 inch lbs.).

6. Connect the EBTCM harness connector.

IMPORTANT: Both sides of the EBTCM harness connector must be engaged with lever before closing.

7. Turn the ignition switch to the ON position, engine off.
8. Perform the Diagnostic System Check (ABS).