Operation CHARM: Car repair manuals for everyone.
Manuals through 2025 now available!

Our trusted friends have launched a new website named LEMON, which has newer manuals. It also contains all the CHARM manuals.

LEMON is the spiritual successor to CHARM, I recommend you try it!

Link: lemon-manuals.la or lemon-manuals.org.ua

(Some people have issue connecting. LEMON is investigating. For now, use Firefox or change your DNS server)

Or, hide this message: temporarily or permanently

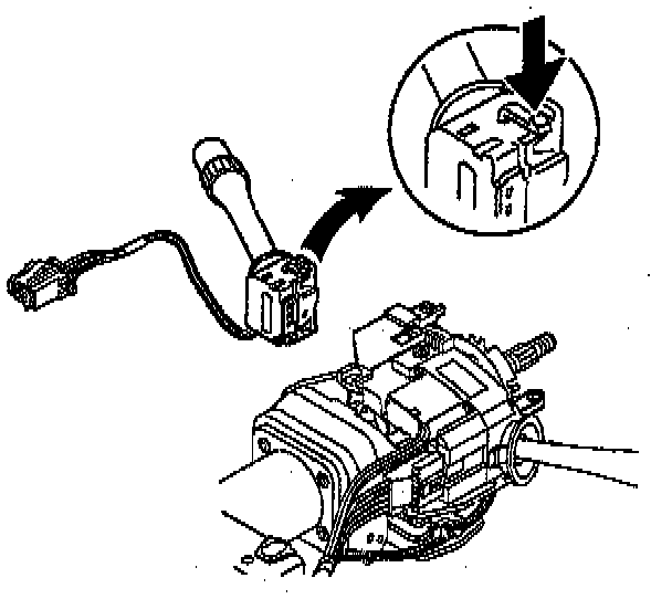
Cruise Control Switch Assembly - Pivot and Pulse

NOTE: You may need to refer to Steering Column Repair Procedures for any associated or referenced procedures. Service and Repair



DISASSEMBLY PROCEDURE
1. Remove the upper and lower shroud. Refer to STEERING COLUMN SHROUDS.





2. Remove the two wire harness straps (2). Remove one wire harness strap (2) from the steering column tilt head assembly (1).





3. Pop the wire harness assembly (1) from the wire harness strap (2).





4. Depress the top and bottom clips on the pivot and pulse switch.
5. Slide the pivot and pulse switch forward to disengage from the electric column lock.

ASSEMBLY PROCEDURE
1. Slide the Pivot and Pulse switch onto the Electric Column Lock until the clips engage.





2. Route the wire harness assembly along the steering column jacket assembly.
3. Pop the wire harness assembly (1) into the wire harness strap (2).
4. Install the wire harness straps (2) to the steering column assembly (1).
5. Install the upper and lower shrouds. Refer to STEERING COLUMN SHROUDS.