Operation CHARM: Car repair manuals for everyone.
Manuals through 2025 now available!

Our trusted friends have launched a new website named LEMON, which has newer manuals. It also contains all the CHARM manuals.

LEMON is the spiritual successor to CHARM, I recommend you try it!

Link: lemon-manuals.la or lemon-manuals.org.ua

(Some people have issue connecting. LEMON is investigating. For now, use Firefox or change your DNS server)

Or, hide this message: temporarily or permanently

Engine Block Plug Removal

^ Tools Required
- J 41712 Oil Pressure Sensor Socket

IMPORTANT:
^ Do not remove the engine block front oil gallery plug unless service is required.
^ If the front oil gallery plug is removed for service. NEW oil gallery plug must be installed.






1. Use the J 41712 or equivalent in order to remove the oil pressure sensor (if not previously removed).





2. Remove the engine block right rear coolant plug.





3. Remove the engine block coolant heater (if applicable).





4. Remove the engine block left front coolant plug (if applicable).





5. Remove the engine block left front oil gallery plug.





6. Remove the engine block left rear oil gallery plug.
7. Inspect the block plug sealing washers.
If the block plug and coolant heater sealing washers are not damaged, they may be used during assembly.






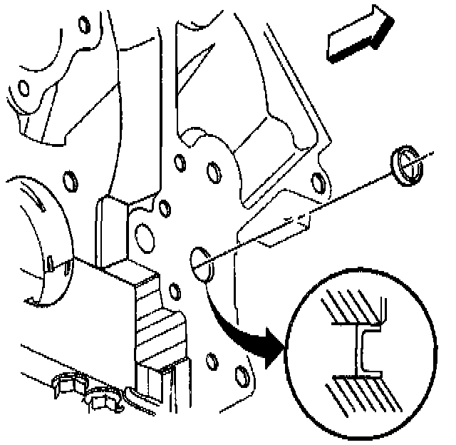
8. Remove the engine block rear oil gallery plug.
9. Inspect the O-ring seal of the rear oil gallery plug.
If the O-ring seal is not cut or damaged, the plug and O-ring seal may be use during assembly.

IMPORTANT:
^ Remove the front oil gallery plug only if service is required.
^ If the front oil gallery plug is removed, a gallery plug must be installed.






10. Remove the engine block front oil gallery plug.