Operation CHARM: Car repair manuals for everyone.
Manuals through 2025 now available!

Our trusted friends have launched a new website named LEMON, which has newer manuals. It also contains all the CHARM manuals.

LEMON is the spiritual successor to CHARM, I recommend you try it!

Link: lemon-manuals.la or lemon-manuals.org.ua

(Some people have issue connecting. LEMON is investigating. For now, use Firefox or change your DNS server)

Or, hide this message: temporarily or permanently

Condenser HVAC: Service and Repair

Removal Procedure


1. Recover the refrigerant.
2. Disconnect the negative battery cable.
3. Remove the upper and lower radiator supports.





4. Remove the evaporator tube - front to condenser retaining bolt.

Important: Cap or tape the open evaporator tube - front and the condenser immediately.

5. Disconnect the evaporator tube - front from the condenser, discard the O-ring seal and cap or tape the evaporator tube - front and the condenser to prevent contamination.
6. Reposition the evaporator tube - front.
7. Raise and suitably support the vehicle.
Important: Prior to removal, take note of the compressor hose routing and orientation between the compressor and condenser.





8. Using a back-up wrench on the condenser fitting (2), loosen the compressor hose fitting (1) from the condenser.

Important: Cap or tape the open compressor hose and the condenser immediately.





9. Disconnect the compressor hose from the condenser, discard the O-ring seal and cap or tape the compressor hose and the condenser to prevent contamination.





10. Lower the vehicle; leave the vehicle on the hoist.
11. Carefully raise the condenser along the radiator Just enough to release the condenser tabs (1) from the radiator slots (2) and the condenser tube from the tube retainer (3).





12. Carefully separate the condenser from the radiator.
13. Remove the condenser from the vehicle.
14. Inspect the condenser insulators along the LH and RH front edges of the condenser for wear or damage.

Installation Procedure





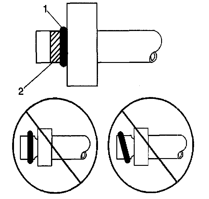
1. Replace the condenser insulators (2), if necessary:
1.1. Remove all traces of the old insulators.
1.2. Using isopropyl alcohol, or equivalent, wipe clean the front surface of the condenser LH and RH edges.
1.3. Remove the paper backing (1) from the new insulators (2).
1.4. Align and install the insulators (2) while keeping a gap (3) of 1 mm (0.039 in) between the insulators (2) and the inner edges of the condenser, as shown.





2. Position the condenser into the vehicle.
3. Carefully join the condenser to the radiator so that the condenser is above the installed position.





4. Carefully lower the condenser along the radiator to secure the condenser tabs (1) to the radiator slots (2) and the condenser tube to the tube retainer (3).





5. Raise the vehicle.
6. Route the compressor hose to the condenser as noted prior to removal.
7. Remove the cap or tape from the compressor hose and the condenser.
8. Using a lint-free clean, dry cloth, carefully clean the sealing surfaces of the compressor hose and the condenser.
9. Lightly coat the new O-ring seal (1) with mineral base 525 viscosity refrigerant oil.

Important: DO NOT allow any of the mineral base 525 viscosity refrigerant oil on the O-ring seal to enter the refrigerant system.

10. Carefully slide the new O-ring seal (1) onto the compressor hose until seated.





11. Install the compressor hose to the condenser.
12. Orientate the compressor hose to the condenser as noted prior to removal.





13. Using a back-up wrench on the condenser fitting (2), secure the compressor hose fitting (1) to the condenser.

Tighten
Tighten the compressor hose fitting to the condenser to 24 N.m (17 lb ft).

14. Lower the vehicle.





15. Remove the cap or tape from the evaporator tube - front and the condenser.
16. Using a lint-free clean, dry cloth, carefully clean the sealing surfaces of the evaporator tube - front and the condenser.
17. Lightly coat the new O-ring seal (1) with mineral base 525 viscosity refrigerant oil.

Important: DO NOT allow any of the mineral base 525 viscosity refrigerant oil on the O-ring seal to enter the refrigerant system.

18. Carefully slide the new O-ring seal (1) onto the evaporator tube - front until seated.
Leave a light coating of the refrigerant oil to remain on the evaporator tube - front in the area indicated (2) ONLY.





19. Install the evaporator tube - front to the condenser.
20. Install the evaporator tube - front to condenser retaining bolt.

1mTighten
Tighten the evaporator tube - front to condenser retaining bolt to 27 N.m (20 lb ft).

21. Install the upper and lower radiator supports.
22. Connect the negative battery cable.

Tighten
Tighten the negative battery cable bolt to 15 N.m (11 lb ft).

23. Program the transmitters.
24. Evacuate and charge the refrigerant system.
25. Check the condenser joints for leaks.