Operation CHARM: Car repair manuals for everyone.
Manuals through 2025 now available!

Our trusted friends have launched a new website named LEMON, which has newer manuals. It also contains all the CHARM manuals.

LEMON is the spiritual successor to CHARM, I recommend you try it!

Link: lemon-manuals.la or lemon-manuals.org.ua

(Some people have issue connecting. LEMON is investigating. For now, use Firefox or change your DNS server)

Or, hide this message: temporarily or permanently

Crankshaft Position Sensor: Service and Repair

IMPORTANT: The PCM idle learn procedure must be performed whenever the battery is disconnected. Refer to PCM / Service and Repair / Idle Learn Procedure.

REMOVAL PROCEDURE
1. Disconnect the negative battery cable.
2. Raise the vehicle.

Description:




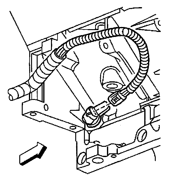
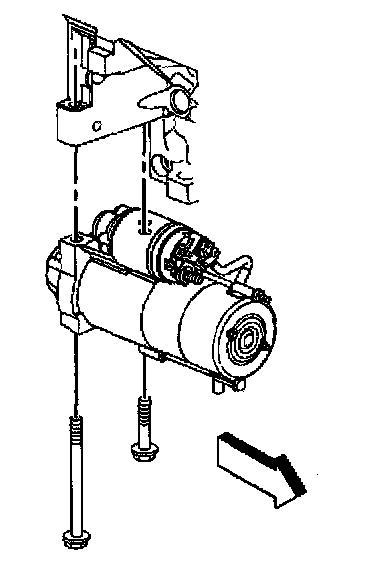
3. Disconnect the starter electrical connectors.




4. Remove the starter.




5. Disconnect the Crankshaft Position (CKP) sensor electrical connector.




6. Remove the CKP sensor retaining bolt.
7. Remove the CKP sensor.

INSTALLATION PROCEDURE
1. Install the CKP sensor.
2. Install the CKP sensor retaining bolt. Tighten the CKP sensor to 25 Nm (18 lb ft).
3. Connect the CKP sensor electrical connector.
4. Install the starter.
5. Connect the starter electrical connectors.
6. Lower the vehicle.
7. Connect the negative battery cable.