Operation CHARM: Car repair manuals for everyone.
Manuals through 2025 now available!

Our trusted friends have launched a new website named LEMON, which has newer manuals. It also contains all the CHARM manuals.

LEMON is the spiritual successor to CHARM, I recommend you try it!

Link: lemon-manuals.la or lemon-manuals.org.ua

(Some people have issue connecting. LEMON is investigating. For now, use Firefox or change your DNS server)

Or, hide this message: temporarily or permanently

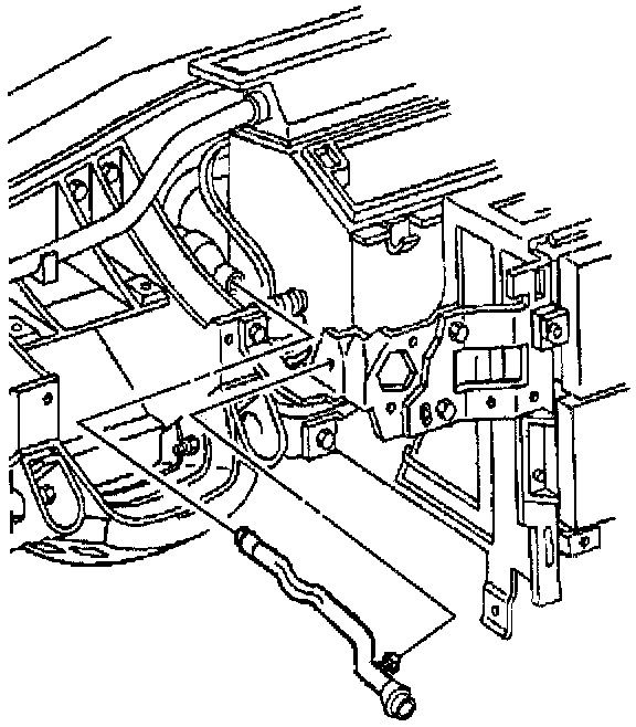
Ignition Switch Housing

REMOVAL PROCEDURE

Ignition Switch Housing Replacement: Removal Procedure:




1. Remove the console.
2. Remove the I/P accessory trim plate.
3. Remove the driver knee bolster trim panel.
4. Remove the I/P upper trim pad.
5. Remove the ignition switch lock cylinder.
6. Remove the bolts retaining the ignition switch to the ignition switch housing bracket.
7. Reposition the ignition switch.

Ignition Switch Housing Replacement: Removal Procedure:




8. Remove the inside air temperature sensor aspirator duct, if equipped.
8.1. Depress the duct retaining tab and remove the duct from the ignition switch housing bracket.
8.2. Use a twisting motion to release the duct from the duct muffler.

IMPORTANT: The following step must be performed to assure proper trim fits during installation.

Ignition Switch Housing Replacement: Removal Procedure:




9. Mark the location of the ignition switch housing bracket. Refer to IP Disassembly Precautions. Instrument Cluster / Carrier
10. Remove the bolt retaining the ignition switch housing bracket to the steering column bracket.

Ignition Switch Housing Replacement: Removal Procedure:




11. Remove the bolts retaining the ignition switch housing bracket to the I/P center support bracket.
12. Remove the ignition switch housing bracket.

INSTALLATION PROCEDURE

Ignition Switch Housing Replacement: Installation Procedure:




1. Install the ignition switch housing bracket into position as marked prior to removal.
2. Install the bolts retaining the ignition switch housing bracket to the I/P center support bracket.

Tighten
Tighten the ignition switch housing bracket to I/P center support bracket bolts to 12 N.m (106 lb in).

Ignition Switch Housing Replacement: Installation Procedure:




3. Install the bolt retaining the ignition switch housing bracket to the steering column bracket. Tighten
Tighten the ignition switch housing bracket to steering column bracket bolt to 1.9 N.m (17 lb in).

Ignition Switch Housing Replacement: Installation Procedure:




4. Install the inside air temperature sensor aspirator duct, if equipped.
4.1. Use a twisting motion to secure the duct to the duct muffler.
4.2 Install the duct retaining tab to the ignition switch housing bracket.

Ignition Switch Housing Replacement: Installation Procedure:




5. Install the ignition switch to the ignition switch housing bracket.
6. Install the ignition switch retaining bolts.

Tighten
Tighten the ignition switch retaining bolts to 1.5 N.m (49 lb in).

7. Install the ignition switch lock cylinder.
8. Install the I/P upper trim pad.
9. Install the driver knee bolster trim panel.
10. Install the I/P accessory trim plate.
11. Install the console.