Operation CHARM: Car repair manuals for everyone.
Manuals through 2025 now available!

Our trusted friends have launched a new website named LEMON, which has newer manuals. It also contains all the CHARM manuals.

LEMON is the spiritual successor to CHARM, I recommend you try it!

Link: lemon-manuals.la or lemon-manuals.org.ua

(Some people have issue connecting. LEMON is investigating. For now, use Firefox or change your DNS server)

Or, hide this message: temporarily or permanently

Fluid Pressure Sensor/Switch: Service and Repair

REMOVAL PROCEDURE





1. Raise and suitably support the vehicle. Refer to Vehicle Lift Points.
2. Remove the transmission oil pan and filter. Refer to AT Fluid/Filter Changing.
3. Disconnect the internal wiring harness electrical connectors from the following components:
^ Transmission pressure switch (1)
^ 1-2 shift control solenoid (2)
^ 2-3 shift control solenoid (3)
^ Pressure control solenoid (4)
^ TCC PWM solenoid (5)
^ 3-2 control solenoid (6)





4. Remove the TCC PWM solenoid retainer.
5. Remove the TCC PWM solenoid in order to access one of the TCC solenoid retaining bolts.





6. Remove the TCC solenoid retaining bolts and the valve body bolts which retain the internal wiring harness.





7. Remove the TCC solenoid (with O-ring seal) and wiring harness assembly from the control valve body, then reposition the assembly to the side of the transmission case.





8. Remove the control valve body bolts which retain the transmission fluid pressure switch assembly to the control valve body.
9. Remove the transmission fluid pressure switch assembly.





10. Inspect the transmission fluid pressure switch assembly for damage or debris.





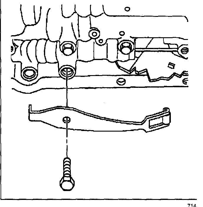
11. Remove the manual detent spring retaining bolt.
12. Remove the manual detent spring.
13. Inspect the manual detent spring assembly for cracks or damage.





14. Remove the remaining control valve body bolts.
15. Carefully begin to lower the control valve body down from the transmission case, disconnect the manual valve link, then remove the control valve body from the transmission case.
16. Inspect the control valve body. Refer to Transfer Case - Unit Repair, for the control valve body cleaning, inspection and repair procedures.

INSTALLATION PROCEDURE





1. Install the control valve body to the transmission case and connect the manual valve link to the inside detent lever.





2. Verify that the manual valve link (3) is installed properly to the inside detent lever (1) and the manual valve (2).





3. Install but do not tighten the control valve body bolts which retain only the valve body directly.
Each numbered bolt location corresponds to a specific bolt size and length, as indicated by the following:
^ M6 X 1.0 X 65.0 (1)
^ M6 X 1.0 X 54.4 (2)
^ M6 X 1.0 X 47.5 (3)
^ M6 X 1.0 X 35.0 (4)
^ M8 X 1.25 X 20.0 (5)
^ M6 X 1.0 X 12.0 (6)
^ M6 X 1.0 X 18.0 (7)

IMPORTANT: When installing bolts throughout this procedure, be sure to use the correct bolt size and length in the correct location as specified.





4. Install the manual detent spring.
5. Install but do not tighten the manual detent spring retaining bolt.





6. Install the transmission fluid pressure switch assembly.
7. Install but do not tighten the control valve body bolts which retain the transmission fluid pressure switch assembly to the control valve body.





8. Install the wiring harness and TCC solenoid assembly with a new O-ring seal to the valve body.





9. Install but do not tighten the valve body bolts which retain the internal wiring harness.
10. Install the TCC solenoid retaining bolts.
^ Tighten the TCC solenoid retaining bolts to 11 Nm (97 inch lbs.).

NOTICE: Refer to Fastener Notice in Service Precautions.





11. Install the TCC PWM solenoid to the control valve body.
12. Install the TCC PWM solenoid retainer.





13. Tighten the control valve body bolts in a spiral pattern starting from the center, as indicated by the arrows.
^ Tighten the control valve body bolts (in sequence) to 11 Nm (97 inch lbs.).

NOTICE: Refer to Fastener Notice in Service Precautions.

IMPORTANT: Certain bolts MUST be tightened in a spiral pattern as indicated by the arrows. If these bolts are tightened at random, the valve bores may become distorted. This will inhibit valve operation.





14. Connect the internal wiring harness electrical connectors to the following components:
^ Transmission pressure switch (1)
^ 1-2 shift control solenoid (2)
^ 2-3 shift control solenoid (3)
^ Pressure control solenoid (4)
^ TCC PWM solenoid (5)
^ 3-2 control solenoid (6)

15. Install the transmission oil pan and filter. Refer to AT Fluid/Filter Changing.
16. Lower the vehicle.