Operation CHARM: Car repair manuals for everyone.
Manuals through 2025 now available!

Our trusted friends have launched a new website named LEMON, which has newer manuals. It also contains all the CHARM manuals.

LEMON is the spiritual successor to CHARM, I recommend you try it!

Link: lemon-manuals.la or lemon-manuals.org.ua

(Some people have issue connecting. LEMON is investigating. For now, use Firefox or change your DNS server)

Or, hide this message: temporarily or permanently

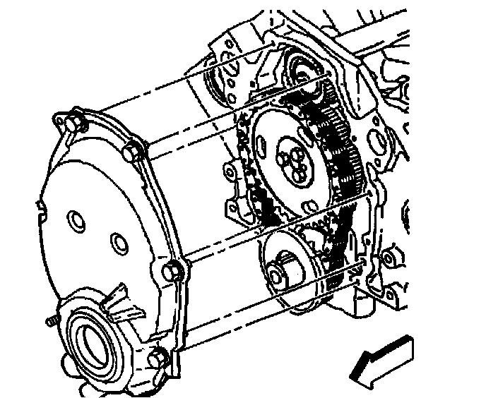
Timing Chain: Service and Repair

REMOVAL PROCEDURE

^ Tools Required
- J 23523-F Balancer Remover and Installer
- J 5825-A Crankshaft Gear Remover





1. Remove the engine front cover.

IMPORTANT: Once the composite engine front cover is removed, DO NOT reinstall the engine front cover. Always install a NEW engine front cover.

2. Remove the crankshaft position sensor reluctor ring.

NOTICE: In order to rotate the crankshaft, in the end of the crankshaft install a short bolt with the same threads or use the crankshaft balancer bolt with sufficient spacers to keep from damaging the threads of the bolt.





3. Check the camshaft timing chain free play.
4. Rotate the crankshaft until:
4.1. The timing marks on both sprockets line up.
4.2. The number four cylinder is at Top Dead Center (TDC) of the compression stroke.





5. Remove the camshaft sprocket bolts.





6. Remove the camshaft sprocket.
7. Remove the camshaft timing chain.





8. Use the J 5825-A in order to remove the crankshaft sprocket.
Do not reuse the crankshaft sprocket after it has been removed.
9. If necessary, remove the crankshaft balancer key.

INSTALLATION PROCEDURE

^ Tools Required
- J 23523-F Balancer Remover and Installer
- J 5590 Installer

1. Install the crankshaft balancer key into the keyway in the crankshaft (if removed).
The crankshaft balancer key should be parallel to the crankshaft or with the front of the key slightly lower.
2. Align the keyway of the crankshaft sprocket with the crankshaft balancer key.





3. Use the J 5590 and a hammer in order to install the crankshaft sprocket.





4. Align the camshaft and the crankshaft sprockets timing marks.

IMPORTANT: Be sure to align the camshaft and the crankshaft sprocket alignment marks.

5. Look to ensure that the crankshaft sprocket is aligned at the 12 o'clock position and the camshaft sprocket is aligned at the 6 o'clock position.





6. Install the camshaft sprocket and the camshaft timing chain.





7. Install the camshaft sprocket bolts.
^ Tighten the camshaft sprocket bolts to 25 Nm (18 ft. lbs.).

NOTICE: Refer to Fastener Notice in Service Precautions.





8. Install the crankshaft position sensor reluctor ring.
9. Install the engine front cover.