Operation CHARM: Car repair manuals for everyone.
Manuals through 2025 now available!

Our trusted friends have launched a new website named LEMON, which has newer manuals. It also contains all the CHARM manuals.

LEMON is the spiritual successor to CHARM, I recommend you try it!

Link: lemon-manuals.la or lemon-manuals.org.ua

(Some people have issue connecting. LEMON is investigating. For now, use Firefox or change your DNS server)

Or, hide this message: temporarily or permanently

Engine Block Plug Installation

- Tools Required
- J 41712 Oil Pressure Sending Unit Socket





1. Install the NEW fuel pump opening cover gasket, fuel pump opening cover and bolts.
- Tighten the fuel pump opening cover upper bolts to 12 Nm (106 inch lbs.).
- Tighten the fuel pump opening cover lower bolts to 40 Nm (30 ft. lbs.).

NOTICE: Refer to Fastener Notice in Service Precautions.





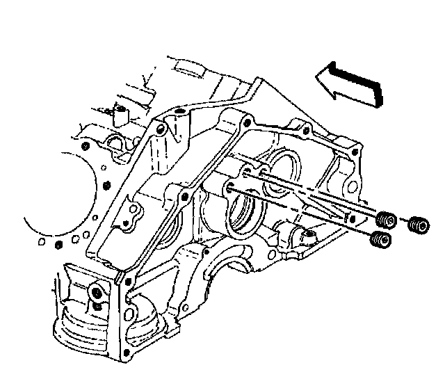
2. Install the transmission locator pins (if required). A properly installed transmission locator pin will protrude 12.7 mm (0.5 inch) from the rear face of the engine block.





3. Install the dowel pins (cylinder head locator) (if required).
A properly installed dowel pin will protrude 6.4 mm (0.25 inch) from the cylinder head deck surface of the engine block.





4. Apply sealant GM P/N 12346004 or equivalent to the outside diameter of the expansion cup plug (camshaft rear bearing hole).
5. Install the expansion cup plug (camshaft rear bearing hole).
A properly installed expansion cup plug will be installed 8.8 mm (0.348 inch) into the rear of the engine block.





6. Apply sealant GM P/N 12346004 or equivalent to the threads of the left side rear and left rear top engine oil gallery plugs.
7. Install the left side rear and left rear top oil engine gallery plugs.
- Tighten the left side rear and left rear top engine oil gallery plugs to 20 Nm (15 ft. lbs.).





8. Apply sealant GM P/N 12346004 or equivalent to the threads of the square socket plugs (engine block oil gallery).
9. Install the rear oil gallery plugs.
- Tighten the square socket plugs to 20 Nm (115 ft. lbs.).





10. Apply sealant GM P/N 12346004 or equivalent to the outside diameter of the engine oil gallery plugs.
11. Install the NEW engine block oil gallery plugs.
A properly installed engine oil gallery plug must be installed below flush with the front face of the engine block.





12. Apply sealant GM P/N 12346004 or equivalent to the threads of the engine block coolant drain hole plug.
13. Install the engine block coolant drain hole plug.
- Tighten the engine block coolant hole plug to 18 Nm (13 ft. lbs.).





14. Apply sealant GM P/N 12346004 or equivalent to the threads of the engine oil pressure sensor fitting.
15. Install the engine oil pressure sensor fitting.
- Tighten the engine oil pressure sensor fitting to 15 Nm (11 ft. lbs.).

16. Rotate the engine oil pressure sensor fitting clockwise to the proper position (1), 50 degrees from the centerline (2).





17. Apply sealant GM P/N 12346004 or equivalent to the threads of the fuel pump switch & engine oil pressure gauge sensor.
18. Install the fuel pump switch & engine oil pressure gauge sensor using the J41712.
- Tighten the fuel pump switch & engine oil pressure gauge sensor to 30 Nm (22 ft. lbs.).





19. Apply sealant GM P/N 12346004 or equivalent to the threads of the knock sensor.
20. Install the knock sensor.
- Tighten the knock sensor to 19 Nm (14 ft. lbs.).