Operation CHARM: Car repair manuals for everyone.
Manuals through 2025 now available!

Our trusted friends have launched a new website named LEMON, which has newer manuals. It also contains all the CHARM manuals.

LEMON is the spiritual successor to CHARM, I recommend you try it!

Link: lemon-manuals.la or lemon-manuals.org.ua

(Some people have issue connecting. LEMON is investigating. For now, use Firefox or change your DNS server)

Or, hide this message: temporarily or permanently

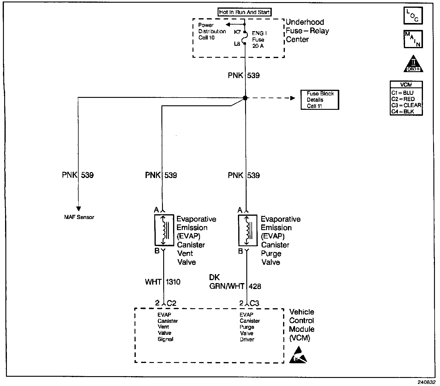
System Diagnosis - EVAP Control

Diagnostic Chart:




Diagnostic Chart:




Diagnostic Chart:




Electrical:






CIRCUIT DESCRIPTION

The evaporative system includes the following components:

^ The fuel tank

^ The [1][2]EVAP vent solenoid

^ The fuel tank pressure sensor

^ The fuel pipes and hoses

^ The vapor lines

^ The fuel cap

^ The evaporative emission canister

^ The purge lines

^ The EVAP purge solenoid

The evaporative leak detection diagnostic strategy is based on applying the vacuum to the EVAP system and monitoring the vacuum decay. The VCM monitors the vacuum level via the fuel tank vacuum sensor input. At an appropriate time, the EVAP purge solenoid and the [1][2]EVAP vent solenoid turn ON, allowing the engine vacuum to draw a small vacuum on the entire evaporative emission system. If a sufficient vacuum level cannot be achieved, a large leak or a malfunctioning EVAP purge solenoid is indicated. The following conditions can cause this problem:

^ A missing, malfunctioning, improperly installed, or loose fuel cap

^ A disconnected or malfunctioning fuel tank pressure sensor

^ A disconnected, damaged, pinched, or blocked [1][2]EVAP purge line

^ A disconnected or damaged [1][2]EVAP vent hose

^ A disconnected, damaged, pinched, or blocked fuel tank vapor line

^ A disconnected or malfunctioning EVAP purge solenoid

^ A disconnected or malfunctioning [1][2]EVAP vent solenoid

^ An open ignition feed circuit to the [1][2]EVAP vent or purge solenoid

^ A damaged EVAP canister

^ A leaking fuel sender assembly O-ring

^ A leaking fuel tank or fuel filler neck

Results of Incorrect Operation

^ Poor idle, stalling and poor driveability can be caused by:

- Damaged canister

- Hoses split, cracked, or not connected to the proper tubes

^ Evidence of fuel loss or fuel vapor odor can be caused by:

- Liquid fuel leaking from the fuel lines

- Cracked or damaged EVAP canister

- Disconnected, misrouted, kinked, deteriorated or damaged [1][2]EVAP pipe or canister hoses

- Air cleaner or air cleaner gasket improperly seated


TEST DESCRIPTION

The numbers below refer to the step numbers on the diagnostic table.

3. This step checks the fuel tank pressure sensor at atmospheric pressure.

4. This step determines if the EVAP system has a restriction or leak.

5. This step determines if there is a restriction in the Fuel Tank Vapor Line or Canister.

8. This step checks for a restriction in the EVAP Canister.