Operation CHARM: Car repair manuals for everyone.
Manuals through 2025 now available!

Our trusted friends have launched a new website named LEMON, which has newer manuals. It also contains all the CHARM manuals.

LEMON is the spiritual successor to CHARM, I recommend you try it!

Link: lemon-manuals.la or lemon-manuals.org.ua

(Some people have issue connecting. LEMON is investigating. For now, use Firefox or change your DNS server)

Or, hide this message: temporarily or permanently

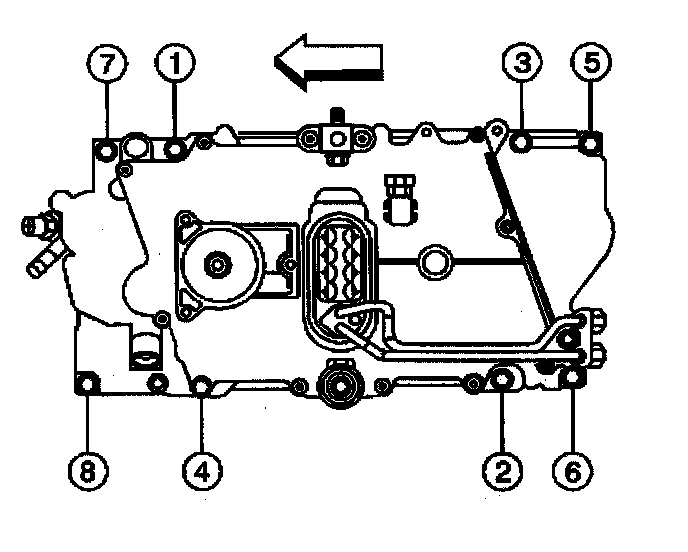
Lower Intake Manifold





Install the lower intake manifold bolts.
1. Tighten the bolts on the first pass in sequence (1-8) to 3 Nm (27 inch lbs.).
2. Tighten the bolts on the second pass in sequence (1-8) to 12 Nm (106 inch lbs.).
3. Tighten the bolts on the final pass in sequence (1-8) to 15 Nm (11 ft. lbs.).

NOTICE: Proper lower intake manifold fastener tightening sequence and torque is critical. Always follow the tightening sequence, and torque the intake manifold bolts using the 3 step method. Failing to do so may distort the crankshaft bearing bore alignment and cause damage to the crankshaft bearings.