Operation CHARM: Car repair manuals for everyone.
Manuals through 2025 now available!

Our trusted friends have launched a new website named LEMON, which has newer manuals. It also contains all the CHARM manuals.

LEMON is the spiritual successor to CHARM, I recommend you try it!

Link: lemon-manuals.la or lemon-manuals.org.ua

(Some people have issue connecting. LEMON is investigating. For now, use Firefox or change your DNS server)

Or, hide this message: temporarily or permanently

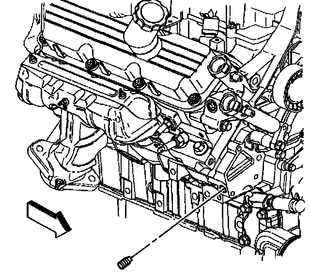
Engine Block Plug Removal






1. Remove the threaded coolant jacket plugs.





2. Remove the remaining plugs using the following procedure.
2.1. Obtain a suitable self-threading screw.
2.2. Drill a hole into the plug.
2.3. Install the self-threading screw.
2.4. Use the screw to pry out the plug.