Operation CHARM: Car repair manuals for everyone.
Manuals through 2025 now available!

Our trusted friends have launched a new website named LEMON, which has newer manuals. It also contains all the CHARM manuals.

LEMON is the spiritual successor to CHARM, I recommend you try it!

Link: lemon-manuals.la or lemon-manuals.org.ua

(Some people have issue connecting. LEMON is investigating. For now, use Firefox or change your DNS server)

Or, hide this message: temporarily or permanently

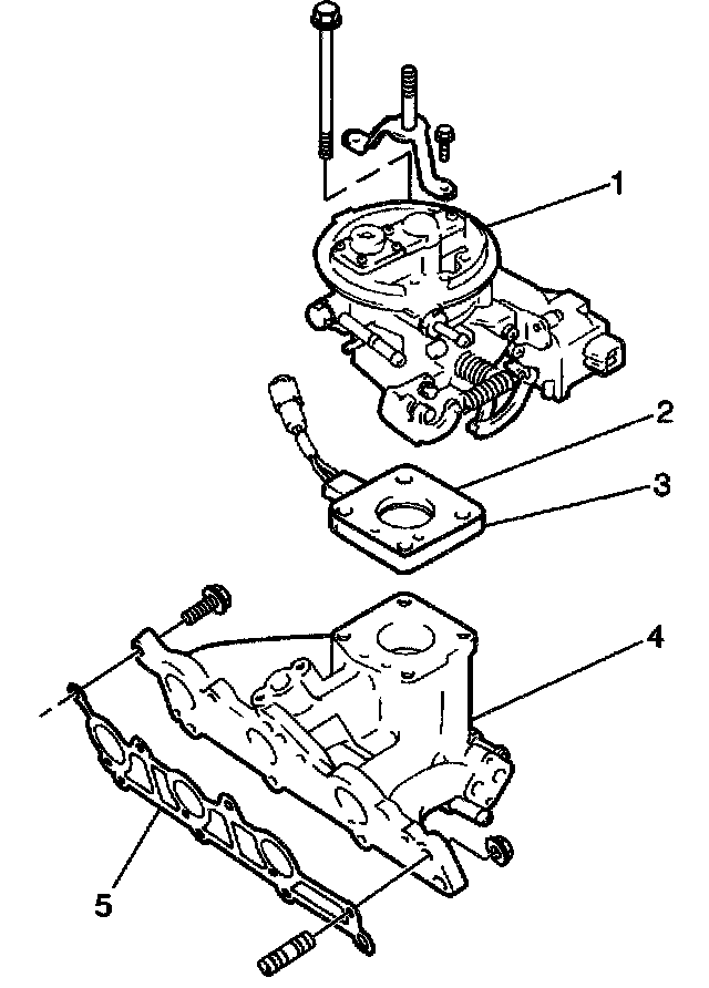
Fastener Tightening Specifications - Intake Manifold





1. Install the intake manifold with the TBI unit (8) and wire clamps to the cylinder head still attached. Secure the intake manifold with the two nuts and the seven bolts.
2. Tighten the intake manifold mounting bolts and nuts to 23 Nm (17 lb ft).