Operation CHARM: Car repair manuals for everyone.
Manuals through 2025 now available!

Our trusted friends have launched a new website named LEMON, which has newer manuals. It also contains all the CHARM manuals.

LEMON is the spiritual successor to CHARM, I recommend you try it!

Link: lemon-manuals.la or lemon-manuals.org.ua

(Some people have issue connecting. LEMON is investigating. For now, use Firefox or change your DNS server)

Or, hide this message: temporarily or permanently

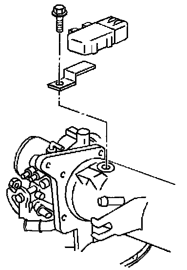
Manifold Pressure/Vacuum Sensor: Service and Repair

Removal Procedure





1. Remove the manifold absolute pressure (MAP) sensor bracket bolt.
2. Lift the MAP sensor from the intake plenum.
3. Disconnect the MAP sensor electrical connector.
4. Remove the MAP sensor from the MAP sensor bracket.

Installation Procedure





1. Install the MAP sensor to the MAP sensor bracket.
2. Connect the MAP sensor electrical connector.
3. Install the MAP sensor to the vacuum port of the intake plenum.
4. Install the MAP sensor bracket bolt.

Tighten
Tighten the MAP sensor bracket bolt to 10 N.m (89 lb in).

Notice: Refer to Fastener Notice in Cautions and Notices.