Operation CHARM: Car repair manuals for everyone.
Manuals through 2025 now available!

Our trusted friends have launched a new website named LEMON, which has newer manuals. It also contains all the CHARM manuals.

LEMON is the spiritual successor to CHARM, I recommend you try it!

Link: lemon-manuals.la or lemon-manuals.org.ua

(Some people have issue connecting. LEMON is investigating. For now, use Firefox or change your DNS server)

Or, hide this message: temporarily or permanently

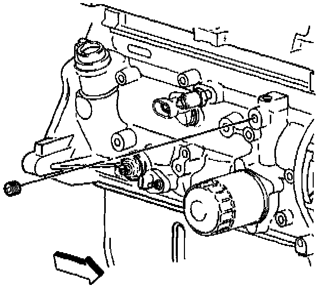
Engine Block Plug Installation





1. Install the engine block coolant drain plug.
2. Apply gasket paste GM P/N 12346004 to the plug before installation.

NOTICE: Refer to Fastener Notice in Service Precautions.

^ Tighten the Coolant Jacket Plug to 15 Nm (11 ft. lbs.).





3. Install the cooling jacket core plugs.
4. Apply gasket paste GM P/N 12345493 to the plugs before installation
5. Drive the plugs into the block until they are flush using a drift that closely matches the inside diameter of the plug.





6. Install the front oil passage plug and the engine front cover alignment dowels.

IMPORTANT: The front oil passage plug is a special type with a lubrication hole for the timing chain.
7. Do not install any other type of plug in this oil passage.





8. Install the upper oil passage plug.
9. Apply gasket paste GM P/N 12346004 to the plug before installation
^ Tighten the Oil Passage Plug to 21 Nm (15 ft. lbs.).





10. Install the right side oil passage plug.
11. Apply gasket paste GM P/N 12346004 to the plug before installation
^ Tighten the Oil Passage Plug to 21 Nm (15 ft. lbs.).





12. Install the rear oil passage plugs.
13. Apply gasket paste GM P/N 12346004 to the plugs before installation
^ Tighten the Large Oil Passage Plug to 33 Nm (24 ft. lbs.).
^ Tighten the Small Oil Passage Plug to 15 Nm (11 ft. lbs.).





14. Install the camshaft rear cover.
^ Tighten the camshaft rear cover bolts to 12 Nm (106 inch lbs.).