Operation CHARM: Car repair manuals for everyone.
Manuals through 2025 now available!

Our trusted friends have launched a new website named LEMON, which has newer manuals. It also contains all the CHARM manuals.

LEMON is the spiritual successor to CHARM, I recommend you try it!

Link: lemon-manuals.la or lemon-manuals.org.ua

(Some people have issue connecting. LEMON is investigating. For now, use Firefox or change your DNS server)

Or, hide this message: temporarily or permanently

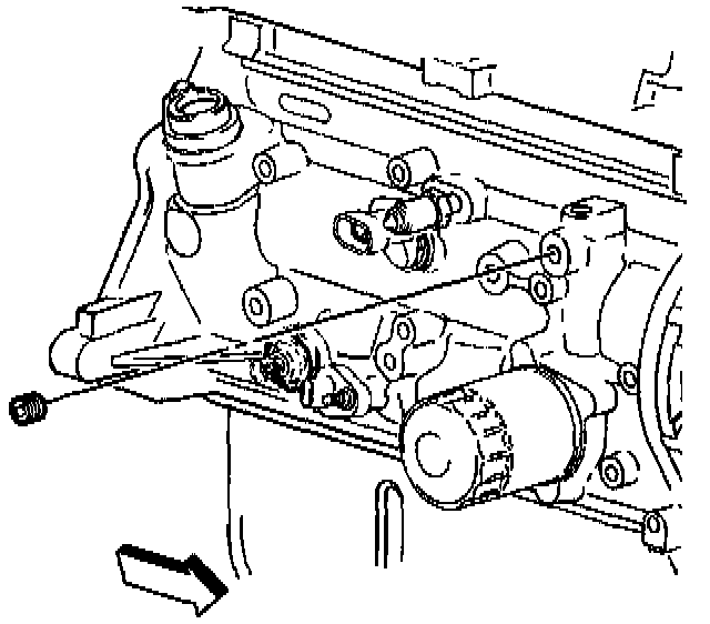
Engine Block Plug Removal





1. Remove the cooling jacket core plugs.
1.1. Use a suitable self-threading screw.
1.2. Drill a hole into the cooling jacket plug.
1.3. Install the self-threading screw.
1.4. Pry out the cooling jacket plug.





2. Remove the cooling jacket drain plug.





3. Remove the right side oil passage plug.





4. Remove the oil pressure sender or switch assembly.





5. Remove the upper oil passage plug.





6. Remove the rear oil passage plugs.





7. Remove the camshaft rear cover and gasket.





8. Remove the engine front cover alignment pins.
9. Remove the front oil passage plug and discard.