Operation CHARM: Car repair manuals for everyone.
Manuals through 2025 now available!

Our trusted friends have launched a new website named LEMON, which has newer manuals. It also contains all the CHARM manuals.

LEMON is the spiritual successor to CHARM, I recommend you try it!

Link: lemon-manuals.la or lemon-manuals.org.ua

(Some people have issue connecting. LEMON is investigating. For now, use Firefox or change your DNS server)

Or, hide this message: temporarily or permanently

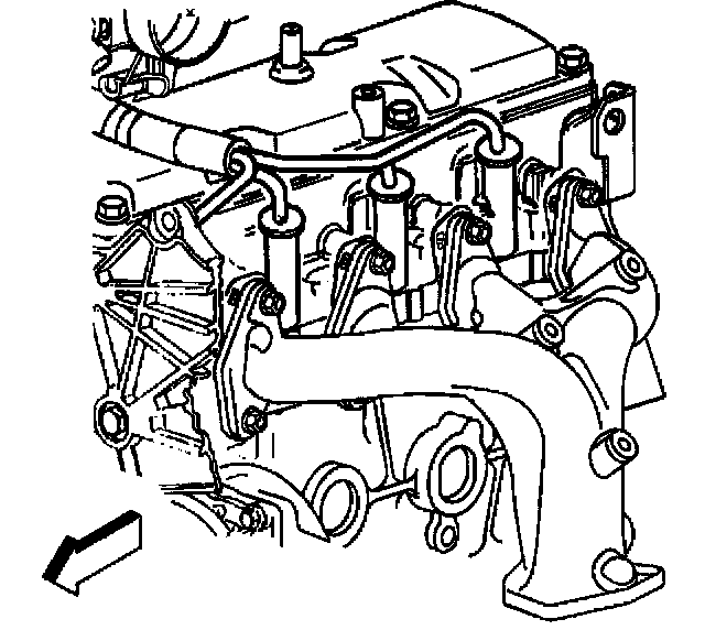
Spark Plug Wire Harness Replacement




REMOVAL PROCEDURE
1. Disconnect the spark plug wire at each spark plug.
^ Twist the boots one-half turn before removing.
^ Pull only on the boot or use a tool designed for this purpose in order to remove the wire from each spark plug.




2. Disconnect the spark plug wire from the coil.
^ Twist each spark plug boot 1/2 turn.
^ Pull only on the boot or use a tool designed for this purpose in order to remove the wires from the coil.




INSTALLATION PROCEDURE
1. Install the spark plug wires at the coil.
2. Install the spark plug wire to each spark plug.
3. Inspect the wires for proper installation:
^ Push sideways on each boot in order to inspect the seating.
^ Reinstall any loose boot.

NOTICE: If the boot to wire movement has occurred, the boot will give a false visual impression of being fully seated. Ensure that the boots have been properly assembled by pushing sideways on the installed boots. Failure to properly seat the terminal onto the spark plug will lead to wire core erosion and result in an engine misfire or crossfire condition, and possible internal damage to the engine.

^ Wire routings must be kept intact during service and followed exactly when wires have been disconnected or when replacement of the wires is necessary. Failure to route the wires properly can lead to radio ignition noise and crossfiring of the plugs, or shorting of the leads to the ground.
^ Any time the spark plug wires or boots are installed on the spark plugs, new dielectric grease needs to be applied inside the boot.