Operation CHARM: Car repair manuals for everyone.
Manuals through 2025 now available!

Our trusted friends have launched a new website named LEMON, which has newer manuals. It also contains all the CHARM manuals.

LEMON is the spiritual successor to CHARM, I recommend you try it!

Link: lemon-manuals.la or lemon-manuals.org.ua

(Some people have issue connecting. LEMON is investigating. For now, use Firefox or change your DNS server)

Or, hide this message: temporarily or permanently

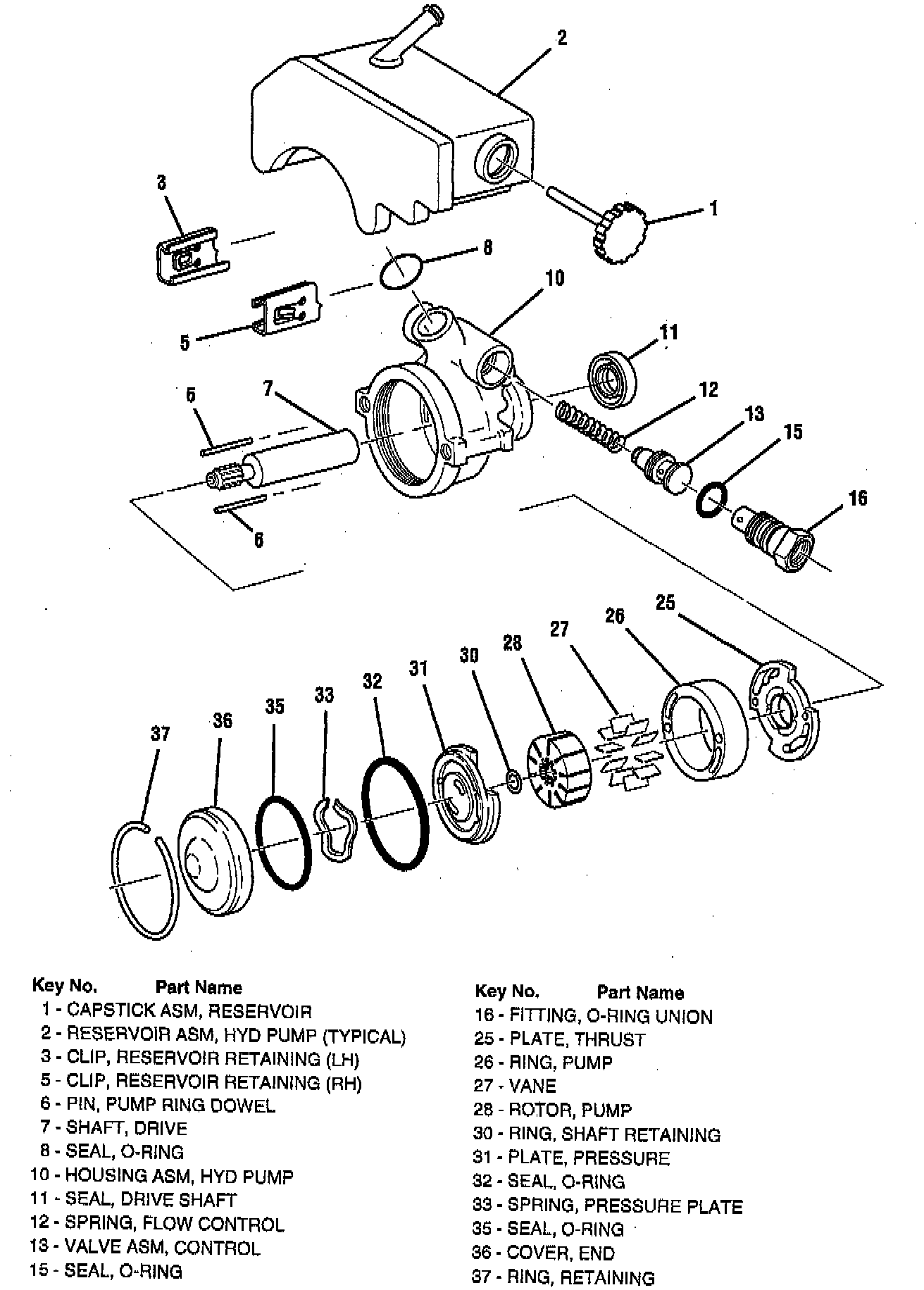
Power Steering Pump

CB Series Power Steering Pump:





CB Series Power Steering Pump:
O-ring Union Fitting (16) 75.0 Nm (55 ft. lbs.)
Frame Mounting Bolts 30 Nm (22 ft. lbs.)
Rear Brace Nut And Bolt 30 Nm (22 ft. lbs.)
Rear Bracket Nut To Pump 50 Nm (37 ft. lbs.)