Operation CHARM: Car repair manuals for everyone.
Manuals through 2025 now available!

Our trusted friends have launched a new website named LEMON, which has newer manuals. It also contains all the CHARM manuals.

LEMON is the spiritual successor to CHARM, I recommend you try it!

Link: lemon-manuals.la or lemon-manuals.org.ua

(Some people have issue connecting. LEMON is investigating. For now, use Firefox or change your DNS server)

Or, hide this message: temporarily or permanently

Brake Pad: Service and Repair

REMOVAL PROCEDURE
^ Tools Required
- J26900-1 Outside Micrometer

1. Siphon two-thirds of the fluid from the master cylinder reservoir.
2. Raise the vehicle. Support the vehicle.
3. Remove the tire and wheel assembly.





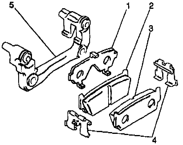
4. Position the C-clamp around the outer pad (2) and caliper.





5. ^ Tighten the clamp until the piston (11) bottoms in its bore.





6. Remove the brake hose E-clip (2).





7. Remove the two caliper pin bolts (2).





8. Remove the caliper assembly (1) from the caliper carrier. Suspend the caliper with wire (2) in order to prevent damage to the brake hose.





9. Remove the inboard anti-noise shim (9) from the caliper (13). Discard the shim.





10. Remove the outboard anti-noise shim (1) from the outboard pad (2). Discard the shim.





11. Remove the pads (3, 4) from the caliper carrier (1)





12. Remove two anti-rattle springs (4) from the caliper carrier (5).
13. Measure the brake pads for wear. Using a J 26900-1 measure the thickness of the brake pad and the backing plate. If the pad thickness is less than the following specification, replace the pad:
- 2-Door: 6 mm (0.240 in)
- 4-Door: 75 mm (0.295 in)

INSTALLATION PROCEDURE





1. Install two anti-rattle springs (4) to the caliper carrier (5).
2. Install a new outboard anti-noise shim (1) to the outboard pad (2).
3. Install the pads (2, 3) to the caliper carrier (5).





4. Install a new inboard anti-noise shim (9) to the caliper (13).
5. Connect the caliper assembly (13) to the caliper carrier.

NOTICE: Always use the correct fastener in the proper location. When you replace a fastener, use ONLY the exact part number for that application. The manufacturer will call out those fasteners that require a replacement after removal. The manufacturer will also call out the fasteners that require thread lockers or thread sealant. UNLESS OTHERWISE SPECIFIED, do not use supplemental coatings (paints, greases, or other corrosion inhibitors) on threaded fasteners or fastener joint interfaces. Generally, such coatings adversely affect the fastener torque and joint clamping force, and may damage the fastener. When you install fasteners, use the correct tightening sequence and specifications. Following these instructions can help you avoid damage to parts and systems.





6. Secure the caliper assembly (1 ) with two caliper pin bolts (2).
^ Tighten the caliper pin bolts to 27 Nm (20 ft. lbs.).





7. Install the brake hose E-clip (2).
8. Install the tire and wheel assembly.
9. Lower the vehicle.
10. Fill the master cylinder fluid reservoir.