Operation CHARM: Car repair manuals for everyone.
Manuals through 2025 now available!

Our trusted friends have launched a new website named LEMON, which has newer manuals. It also contains all the CHARM manuals.

LEMON is the spiritual successor to CHARM, I recommend you try it!

Link: lemon-manuals.la or lemon-manuals.org.ua

(Some people have issue connecting. LEMON is investigating. For now, use Firefox or change your DNS server)

Or, hide this message: temporarily or permanently

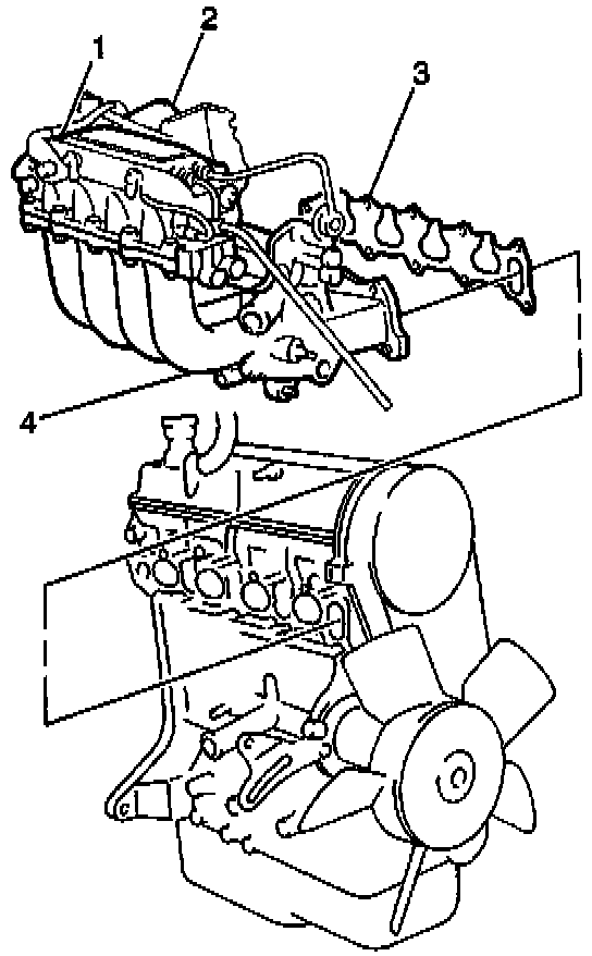
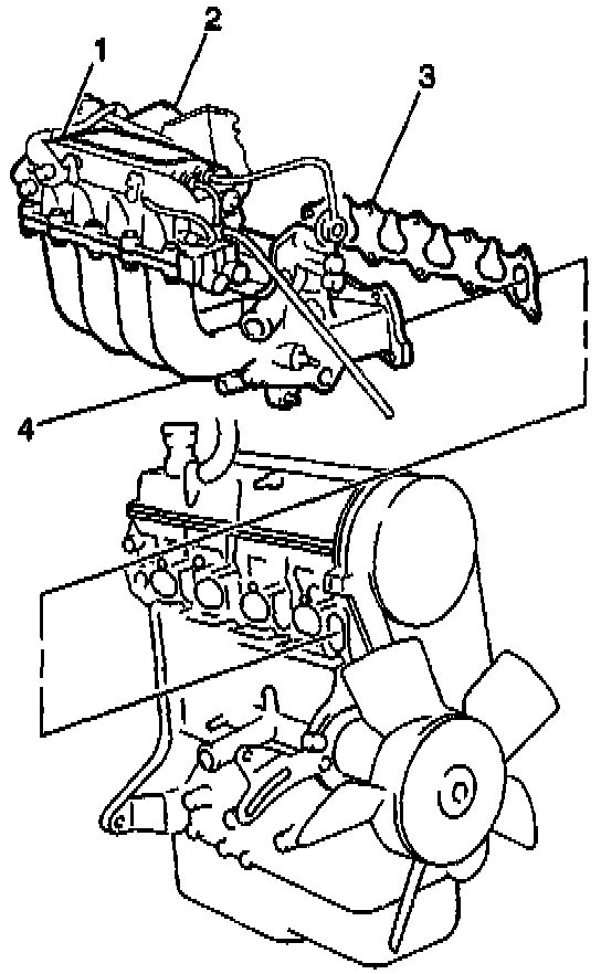
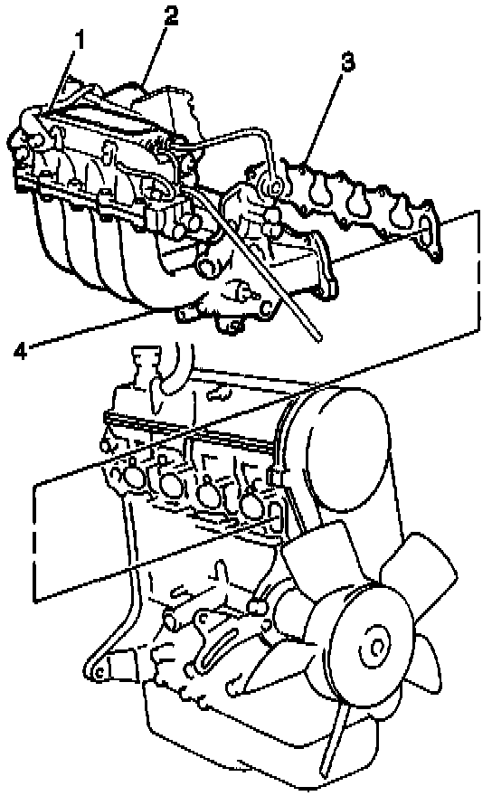
Intake Manifold Replacement

REMOVAL PROCEDURE

CAUTION: Refer to Battery Disconnect Caution in Service Precautions.

1. Disconnect the negative battery cable.
2. Release the fuel pressure.
3. Remove the fuel filter cap in order to release the fuel vapor pressure in the fuel tank. After releasing the pressure, replace the cap.
4. Remove the air intake pipe from the ACL intake hose and throttle hose.
5. Drain the cooling system.





6. Remove the three bolts and the throttle cover from the intake manifold (4).





7. Disconnect the accelerator cable (3) and kickdown cable (4) (automatic transmission equipped vehicles) from the throttle body bellcrank (1).
8. Remove the following from the throttle body:
^ One bolt
^ One nut
^ One screw
^ The accelerator cable bracket (2)





9. Disconnect the following electrical connectors:
^ Throttle Position (TP) Sensor
^ Idle Air Control (IAC) Valve
^ Engine Coolant Temperature (ECT) Sensor (4)
^ ECT sensor sending unit
^ A/C ECT switch (3) (A/C equipped vehicles only)
^ Evaporative emission canister purge valve
^ Exhaust Gas Recirculation (EGR) temperature sensor
^ EGR solenoid vacuum valve
^ EGR by-pass valve
^ Fuel injectors
^ Wiring harness from retaining clamps
^ Engine ground wire (7) from intake surge tank

10. Remove the following vacuum hoses:
^ EVAP canister purge valve
^ Vacuum modulator supply hose (automatic transmission equipped vehicles)
^ Brake booster supply hose
^ EGR valve
^ EGR pressure transducer
^ Manifold Absolute Pressure (MAP) Sensor hose from the sensor

11. Remove the coolant hose from the IAC valve.
12. Remove the IAC air hose from the IAC valve.
13. Remove the coolant hoses from the fast idle air valve below the throttle body.





14. Disconnect the fuel feed hose at the fuel feed hose union (1).
15. Disconnect the fuel return hose from the fuel return line.
16. Remove the PCV hose from the PCV valve.
17. Loosen the upper radiator hose from the thermostat housing. Remove the upper radiator hose from the thermostat housing.
18. Remove the coolant bypass hose from the intake manifold.





19. Remove the following from the intake manifold:
^ One bolt
^ One nut
^ The generator adjusting arm bracket (1)





20. Remove the two bolts and the front intake manifold reinforcement bracket (2) from the intake manifold.
21. Remove the two bolts and the rear intake manifold reinforcement bracket (1) from the intake manifold.
22. Remove the two bolts and the lower intake manifold support bracket (3) from the intake manifold.
23. Remove the following from the cylinder head:
^ Eight nuts
^ Three bolts
^ The intake manifold with the gasket
^ The intake surge tank
^ The throttle body





24. Remove the following from the intake manifold if required:
^ The PCV valve
^ The EGR valve
^ The ECT sensor (4)
^ The ECT sensor sending unit
^ The A/C ECT switch (3) (A/C equipped vehicles)
^ The EGR temperature sensor

INSTALLATION PROCEDURE





1. Install the following to the intake manifold if required:
^ The PCV valve
^ The EGR valve
^ The ECT sensor (4)
^ The ECT sensor sending unit
^ The A/C ECT switch (3) (A/C equipped vehicles)
^ The EGR temperature sensor

NOTICE: Refer to Fastener Notice in Service Precautions.





2. Install a new intake manifold gasket (3) and the intake manifold (4) with intake surge tank (1) and throttle body (2) to the cylinder head. Secure with eight nuts and three bolts.
^ Tighten the intake manifold nuts and bolts to 23 Nm (17 ft. lbs.).





3. Install the lower intake manifold support bracket (3) to the intake manifold. Secure the bracket with two bolts.
^ Tighten the lower intake manifold support bracket bolts to 50 Nm (37 ft. lbs.).

4. Install the rear intake manifold reinforcement bracket (1) to the intake manifold. Secure the bracket with two bolts.
^ Tighten the rear intake manifold support bracket bolts to 50 Nm (37 ft. lbs.).

5. Install the front intake manifold reinforcement bracket (2) to the intake manifold. Secure the bracket with two bolts.
^ Tighten the front intake manifold support bracket bolts to 50 Nm (37 ft. lbs.).





6. Install the generator adjusting arm bracket (1) to the intake manifold. Secure the bracket with one bolt and one nut.
^ Tighten the generator adjusting arm bracket nut bolt to 50 Nm (37 ft. lbs.).

7. Connect the coolant bypass hose to the intake manifold.
8. Install the upper radiator hose to the thermostat housing.
9. Tighten the upper radiator hose clamp at the thermostat housing.
10. Connect the PCV to the PCV valve.
11. Install the fuel return hose.





12. Install the fuel feed hose at the fuel feed hose union (2).
13. Install the coolant hoses to the fast idle air valve below the throttle body.
14. Install the IAC air hose to the IAC valve.
15. Install the coolant hose to the IAC valve. Install the following vacuum hoses:
^ EGR pressure transducer
^ EGR valve
^ Brake booster supply hose
^ Vacuum modulator supply hose (automatic transmission equipped vehicles)
^ EVAP canister purge valve
^ Manifold Absolute Pressure (MAP) Sensor hose from the sensor





16. Install the following connectors:
^ Engine ground wire (7) from intake surge tank
^ Wiring harness from retaining clamps
^ Fuel injectors
^ EGR solenoid vacuum valve (1)
^ EGR by-pass valve
^ EGR temperature sensor
^ Evaporative emission canister purge valve
^ A/C ECT switch (3) (A/C equipped vehicles only)
^ ECT sensor sending unit
^ Engine Coolant Temperature (ECT) Sensor (4)
^ Idle Air Control (IAC) Valve
^ Throttle Position (TP) Sensor





17. Install the accelerator cable (3) and kickdown cable (4) (automatic transmission equipped vehicles) to the throttle body bellcrank (1).
^ Adjust the accelerator cable as necessary.
^ Adjust the kickdown cable (automatic transmission equipped vehicles) as necessary.





18. Install the throttle cover to the intake manifold (2). Secure the cover with three bolts.
^ Tighten the throttle cover bolts to 15 Nm (11 ft. lbs.).

19. Refill the cooling system as necessary.
20. Install the air intake pipe to the throttle body hose and the ACL intake hose.
21. Connect the negative battery cable.