Operation CHARM: Car repair manuals for everyone.
Manuals through 2025 now available!

Our trusted friends have launched a new website named LEMON, which has newer manuals. It also contains all the CHARM manuals.

LEMON is the spiritual successor to CHARM, I recommend you try it!

Link: lemon-manuals.la or lemon-manuals.org.ua

(Some people have issue connecting. LEMON is investigating. For now, use Firefox or change your DNS server)

Or, hide this message: temporarily or permanently

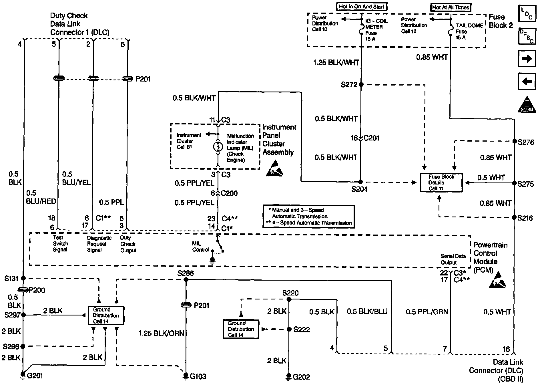
- Powertrain/On-Board Diagnostic System Check












Description
The Powertrain OBD system check is an organized approach to identifying a problem created by an electronic engine control system malfunction. The Powertrain OBD system check is the starting point for any driveability concern diagnosis, because it directs the service technician to the next logical step in diagnosing the concern. Understanding the table and using it correctly will reduce diagnostic time and prevent the replacement of good parts.
DO NOT perform this check if a driveability concern is not present.

Diagnostic Aids
An intermittent malfunction may be caused by a fault in an engine control system electrical circuit. Inspect the wiring harness and components for any of the following conditions:
^ Backed out terminals.
^ Improper mating of terminals.
^ Broken electrical connector locks.
^ Improperly formed or damaged terminals.
^ Faulty terminal to wire connections.
^ Physical damage to the wiring harness.
^ A broken wire inside the insulation.
^ Corrosion of electrical connections, splices, or terminals.

Test Description
The numbers below refer to the step numbers in the Diagnostic Table.
1. The Powertrain OBD system check should not be performed unless one of the concerns noted is present. Failure to follow this procedure could lead to misdiagnosis of the system.
2. The MIL should be on steady with the key on and the engine off.
3. This step checks if the PCM and the scan tool can communicate.
4. This step checks if the vehicle will start.
5. Before proceeding to the applicable DTC table, check for related service bulletins. If multiple DTCs are stored, refer to the DTC tables using the following priority:
1. PCM error DTCs (P0601, P0603). P0601 P0603
2. System Voltage DTCs.
3. Component level DTCs (sensor, switches, relays, output drivers, etc..
4. System level DTCs (TP system performance, Misfire, Fuel trim, HO2S low and high, etc..).
5. First failure of Type B DTCs will store in Test Failed Since Code Cleared (Test Failed SCC) but not in History. When the MIL is ON and a DTC is indicated in History, this indicates a current fault.
6. Transmission DTCs are located in this section.
7. If the scan tool is unable to record the DTC information, then record this information on paper.
6. This step detects a MIL circuit shorted to ground.
7. Before proceeding to Symptoms or Diagnostic Information and Procedures, check for related service bulletins. The diagnostic tables in this section are designed for use with a properly functioning scan tool. If a faulty scan tool is suspected connect it to another vehicle to verify operation. Serial data communications must be corrected before beginning any other diagnostic procedure. OBD II serial data may not transmit if system voltage is below 9.0 volts or above 16.0 volts. DO NOT clear DTCs unless directed by a diagnostic procedure. Clearing DTCs will also clear valuable Freeze Frame data.