Operation CHARM: Car repair manuals for everyone.
Manuals through 2025 now available!

Our trusted friends have launched a new website named LEMON, which has newer manuals. It also contains all the CHARM manuals.

LEMON is the spiritual successor to CHARM, I recommend you try it!

Link: lemon-manuals.la or lemon-manuals.org.ua

(Some people have issue connecting. LEMON is investigating. For now, use Firefox or change your DNS server)

Or, hide this message: temporarily or permanently

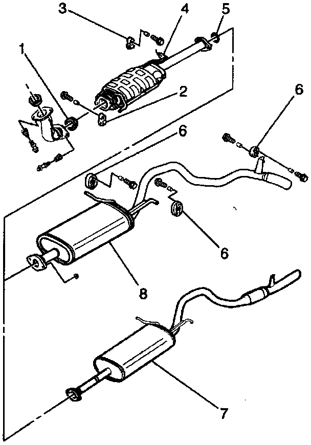
Catalytic Converter: Service and Repair






Removal Procedure
1. Raise and support the vehicle.
2. Disconnect the electrical connector from the Heated Oxygen Sensor (HO2S 2).
3. Remove the two bolts and the two springs securing the front pipe to the Three-Way Catalytic Converter (TWC) (3).
4. Remove the two bolts and the two nuts securing the TWC to the muffler/tail pipe assembly.
5. Remove one bolt and hanger (2) from the front of the TWC.
6. Remove one bolt and hanger (2) from the rear of the TWC.
7. Remove the TWC from the vehicle.
8. Clean the gasket and seal mating surfaces.

Installation Procedure
1. Connect the TWC to the vehicle. Secure the front and rear of the TWC with two bolts and two hangers.
2. Install the two bolts and the two nuts securing the TWC to the muffler/tail pipe assembly. Finger tighten the nuts.
3. Install the two bolts and the two springs securing the front pipe to the TWC. Finger tighten the two bolts.
4. Align all system components properly in order to prevent any noise or vibrations before tightening the fasteners.
5. Tighten the front pipe-to-TWC bolts to 50 Nm (37 lb ft).
6. Tighten the TWC-to-muffler/tail pipe assembly bolts and nuts to 50 Nm (37 lb ft).
7. Connect the electrical connector to the heated oxygen sensor (HO2S 2).
8. Lower the vehicle.