Operation CHARM: Car repair manuals for everyone.
Manuals through 2025 now available!

Our trusted friends have launched a new website named LEMON, which has newer manuals. It also contains all the CHARM manuals.

LEMON is the spiritual successor to CHARM, I recommend you try it!

Link: lemon-manuals.la or lemon-manuals.org.ua

(Some people have issue connecting. LEMON is investigating. For now, use Firefox or change your DNS server)

Or, hide this message: temporarily or permanently

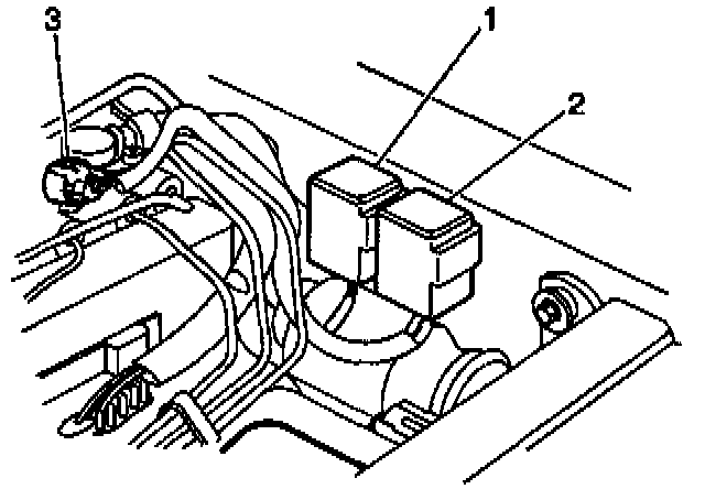
ABS Light Relay: Service and Repair

REMOVAL PROCEDURE
The lamp driver relay is located on the left hand side of the engine compartment, on the inner fender next to the hydraulic modulator.
1. Disconnect the Negative (-) battery cable.

CAUTION: Before removing or installing any electrical unit or when a tool or equipment could easily come in contact with "live" exposed electrical terminals, disconnect the negative battery cable to help prevent personal injury and/or damage to the vehicle or components. Unless instructed otherwise, the ignition switch must be in the "OFF" or "LOCK" position.





2. Pull the lamp driver relay (1) from the mounting bracket.
3. Disconnect the lamp driver relay electrical connector.

INSTALLATION PROCEDURE
1. Connect the lamp driver relay electrical connector.





2. Install the lamp driver relay (1) to the mounting bracket.
3. Connect the Negative (-) battery cable.

CAUTION: Before removing or installing any electrical unit or when a tool or equipment could easily come in contact with "live" exposed electrical terminals, disconnect the negative battery cable to help prevent personal injury and/or damage to the vehicle or components. Unless instructed otherwise, the ignition switch must be in the "OFF" or "LOCK" position.

4. Perform the Diagnostic System Check