Operation CHARM: Car repair manuals for everyone.
Manuals through 2025 now available!

Our trusted friends have launched a new website named LEMON, which has newer manuals. It also contains all the CHARM manuals.

LEMON is the spiritual successor to CHARM, I recommend you try it!

Link: lemon-manuals.la or lemon-manuals.org.ua

(Some people have issue connecting. LEMON is investigating. For now, use Firefox or change your DNS server)

Or, hide this message: temporarily or permanently

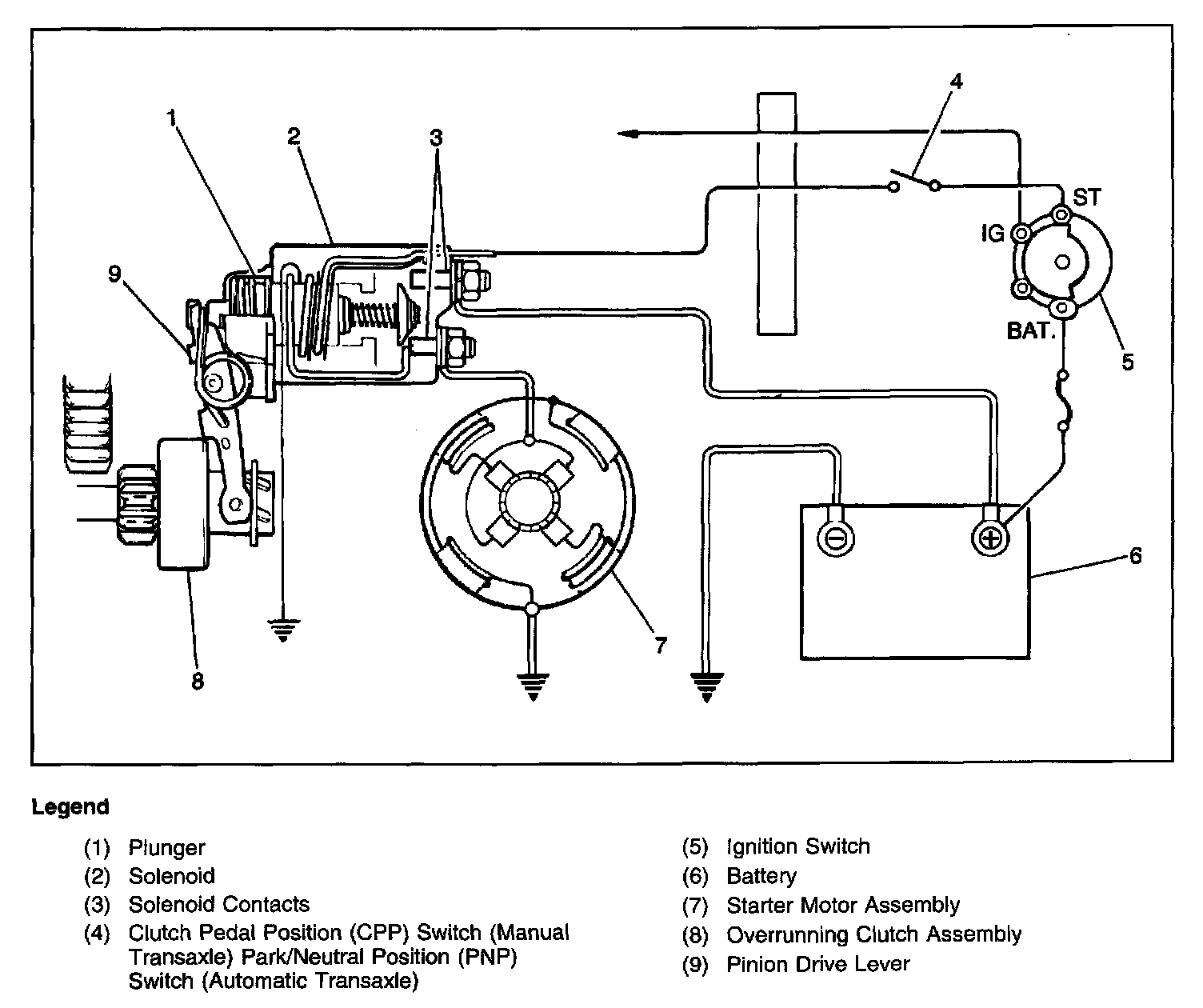
Starting System Description

Starting Circuit:




Starter Motor:




The cranking circuit consists of the battery, the starter motor, the ignition switch and related parts. All of these components are connected electrically.

The starter solenoid windings are energized when the ignition switch is turned to the start position and the Clutch Pedal Position (CPP) switch (manual transmission) or the transaxle range switch (automatic transmission) is closed. (In manual transmission equipped vehicles, the clutch pedal must be fully depressed to activate the clutch pedal position switch.) The resulting plunger and shift lever movement causes the drive pinion to engage the engine flywheel ring gear and the starter solenoid contacts to close. With the contacts closed, the starter solenoid provides a closed circuit between the positive (+) battery terminal and the starter motor. The circuit is complete and cranking occurs as soon as the starter solenoid contacts are closed (the starter motor is permanently grounded to the engine block). When the engine starts, the clutch and drive assembly is designed to overrun and protect the armature from excessive speed until the ignition switch is released from the start position. After the ignition switch is released from the start position, a return spring in the solenoid assembly forces the starter solenoid contacts open, breaking the circuit between the battery and the starter motor, and disengaging the clutch and drive assembly. The ignition switch should be released immediately upon engine start-up to prevent prolonged overrun.