Operation CHARM: Car repair manuals for everyone.
Manuals through 2025 now available!

Our trusted friends have launched a new website named LEMON, which has newer manuals. It also contains all the CHARM manuals.

LEMON is the spiritual successor to CHARM, I recommend you try it!

Link: lemon-manuals.la or lemon-manuals.org.ua

(Some people have issue connecting. LEMON is investigating. For now, use Firefox or change your DNS server)

Or, hide this message: temporarily or permanently

Brake Trans. Shift Interlock Replacement (Manual Selector)

REMOVAL PROCEDURE





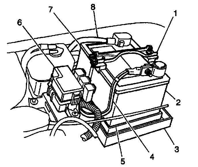
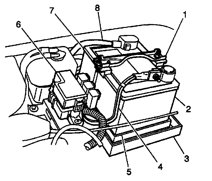
1. Disconnect the negative battery cable (4).

CAUTION: Refer to Battery Disconnect Caution in Service Precautions.





2. Remove the following items from the floor:
^ The two screws
^ The two plastic retaining clips
^ The console box





3. Remove the shift lock solenoid electrical connector (1) from under the carpet.
4. Remove the shift indicator lamp electrical connector (2) from under the carpet.





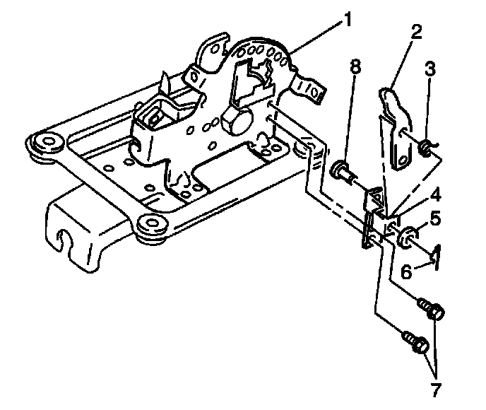
5. Remove the two bolts (2) and the shift lock solenoid from the selector lever detent bracket (1).





6. Remove the two bolts (7) and the manual release pivot plate (4) from the selector lever detent bracket (1).

INSTALLATION PROCEDURE





1. Install the manual release pivot plate (4) to the manual selector detent bracket.
2. Secure the manual release pivot plate (4) with the two bolts (7).





3. Install the shift lock solenoid to the selector lever detent bracket (1).
4. Secure the shift lock solenoid with the two bolts (2).





5. Install the shift indicator lamp electrical connector (2) under the carpet.
6. Install the shift lock solenoid electrical connector (1) under the carpet.





7. Install the console box to the floor.
8. Secure the console box with the two plastic retaining clips and the two screws.





9. Connect the negative battery cable (4).