Operation CHARM: Car repair manuals for everyone.
Manuals through 2025 now available!

Our trusted friends have launched a new website named LEMON, which has newer manuals. It also contains all the CHARM manuals.

LEMON is the spiritual successor to CHARM, I recommend you try it!

Link: lemon-manuals.la or lemon-manuals.org.ua

(Some people have issue connecting. LEMON is investigating. For now, use Firefox or change your DNS server)

Or, hide this message: temporarily or permanently

Brake Trans. Shift Interlock Replacement (Shift Select Cable)

REMOVAL PROCEDURE





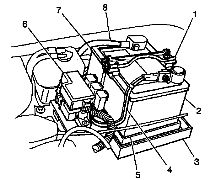
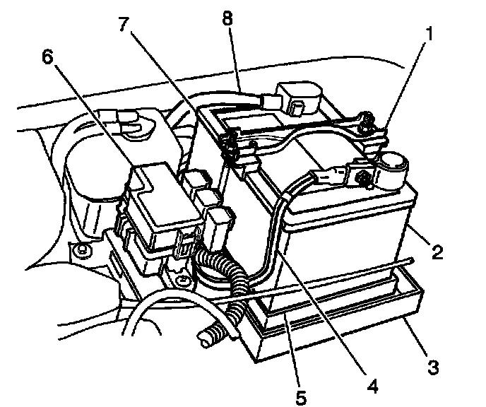
1. Disconnect the negative battery cable (4).

CAUTION: Refer to Battery Disconnect Caution in Service Precautions.





2. Put the manual selector in the NEUTRAL position.
3. Remove the console box from the floor.





4. Remove the shift lock solenoid connector (1) from under the carpet.
5. Remove the shift indicator lamp electrical connector (2) from under the carpet.





6. Remove the four bolts and the manual selector from the floor.





7. Remove the following items from the selector [ever:
^ The retaining clip (1)
^ The washer
^ The E-clip (3)
^ The shift select cable (4)

8. Raise the vehicle. Support the vehicle.





9. Remove the select cable locknut (1) and the shift select cable from the manual shift lever (4).





10. Remove the E-clip (3) from the shift select cable bracket on the transmission.
11. Remove the shift select cable (4) from the vehicle.
12. Inspect the shift select cable for fraying or kinks. Replace the cable as necessary.

INSTALLATION PROCEDURE





1. Put the manual shift lever (3) in the LOW position.





2. Install the shift select cable (4) into the shift select cable bracket at the transmission.
3. Secure the shift select cable (4) with the E-clip (3).





4. Install the shift select cable into the manual shift lever while moving the manual shift lever back to the NEUTRAL position.

NOTICE: Refer to Fastener Notice in Service Precautions.

5. Secure the shift select cable with the select cable locknut (3). Do not fully tighten the locknut.
^ Tighten the shift select cable locknut to 7 Nm (62 ft. lbs.).
6. Lower the vehicle. Make it possible to access both the manual selector and the manual shift lever.





7. Install the shift select cable (4) to the selector lever.
8. Secure the shift select cable with the E-clip (3), the washer and the retaining clip (1).
9. Inspect both ends of the shift select cable to ensure that no cable deflection exists.
10. Lower the vehicle completely.





11. Install the manual selector to the floor.
12. Secure the manual selector to the floor with the four bolts.
^ Tighten the manual selector bolts to 18 Nm (13 ft. lbs.).





13. Install the shift indicator lamp electrical connector (2) under the carpet.
14. Install the shift lock solenoid electrical connector (1) under the carpet.





15. Install the console box to the floor.
16. Put the manual selector in the PARK position.





17. Connect the negative battery cable (4).