Operation CHARM: Car repair manuals for everyone.
Manuals through 2025 now available!

Our trusted friends have launched a new website named LEMON, which has newer manuals. It also contains all the CHARM manuals.

LEMON is the spiritual successor to CHARM, I recommend you try it!

Link: lemon-manuals.la or lemon-manuals.org.ua

(Some people have issue connecting. LEMON is investigating. For now, use Firefox or change your DNS server)

Or, hide this message: temporarily or permanently

Shift Interlock Cable: Service and Repair

REMOVAL PROCEDURE





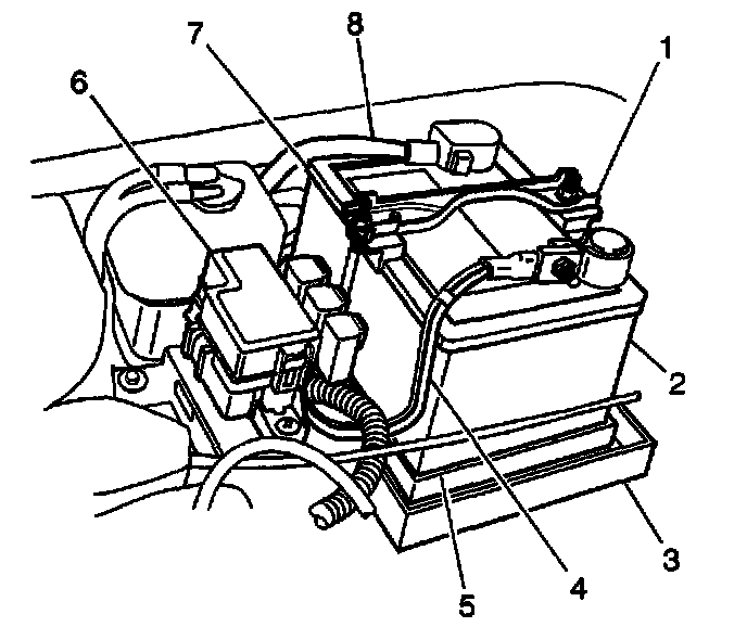
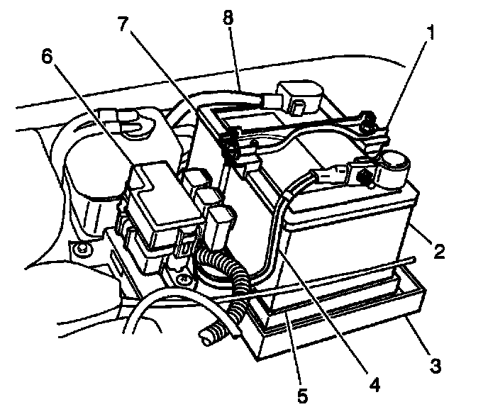
1. Disconnect the negative battery cable (4).

CAUTION: Refer to Battery Disconnect Caution in Service Precautions.





2. Remove the following from the floor:
^ The two screws
^ The two plastic retaining clips
^ The console box





3. Remove the following components from the steering column:
3.1. The six screws
3.2. The steering column upper cover
3.3. The steering column lower cover

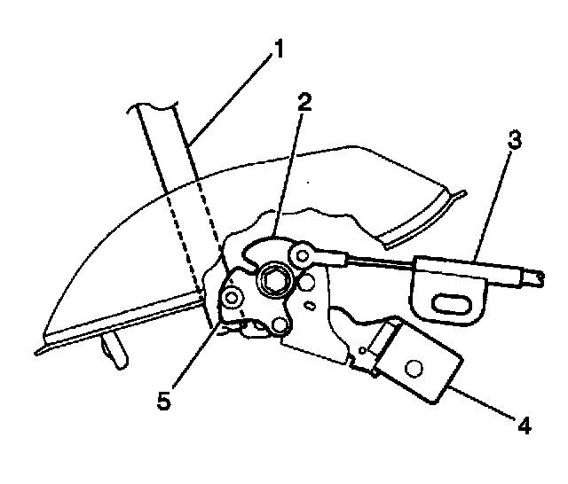
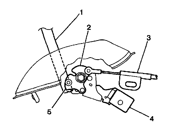
4. Remove the C-clip (2) from the ignition switch (1).
5. Remove the bracket retaining screw (3) from the ignition switch (1).
6. Remove the interlock cable (4) from the ignition switch (1).
7. Remove the interlock cable (4) out from under the instrument panel.





8. Remove the interlock cable nut.
9. Remove the interlock cable end from the key release plate (5) at the manual selector.





10. Remove the interlock cable (1) from the interlock cable bracket at the manual selector.
11. Remove the interlock cable from under the carpet.
12. Inspect the interlock cable for fraying or kinks.
Replace the cable as necessary.

INSTALLATION PROCEDURE





1. Route the interlock cable (4) under the carpet to the manual selector and under the instrument panel to the ignition switch (1).
2. Place the manual selector lever in the NEUTRAL position.
3. Turn the ignition switch to ACC.
4. Install the interlock cable end to the ignition switch (1).
5. Secure the interlock cable end with the bracket retaining screw (3) and the C-clip (2).





6. Install the steering column upper cover and the steering column lower cover to the steering column.
7. Secure the covers to the steering column with six screws.
8. Install the interlock cable end (3) to the key release plate (5).
9. Secure the key release plate to the manual selector with the interlock cable nut. Do not fully tighten the interlock cable nut.
^ Tighten the interlock cable nut to 13 Nm (115 ft. lbs.).

NOTICE: Refer to Fastener Notice in Service Precautions.

IMPORTANT: After tightening the interlock cable nut, make sure that the ignition switch can be turned from ACC to LOCK and the key can be removed from the ignition with the manual selector lever shifted to the PARK position. Verify also that with the manual selector lever in any position other than PARK, the ignition switch CANNOT be turned form ACC to LOCK.





10. Rotate the key release plate (4) and insert a small screwdriver through the key release plate in order to hold the key release plate in position.
11. Allow the retaining spring (3) to position the interlock cable bracket.





12. Install the console box to the floor.
13. Secure the console box with two plastic retaining clips and two screws.





14. Connect the negative battery cable (4).