Operation CHARM: Car repair manuals for everyone.
Manuals through 2025 now available!

Our trusted friends have launched a new website named LEMON, which has newer manuals. It also contains all the CHARM manuals.

LEMON is the spiritual successor to CHARM, I recommend you try it!

Link: lemon-manuals.la or lemon-manuals.org.ua

(Some people have issue connecting. LEMON is investigating. For now, use Firefox or change your DNS server)

Or, hide this message: temporarily or permanently

Transmission Speed Sensor: Service and Repair

REMOVAL PROCEDURE





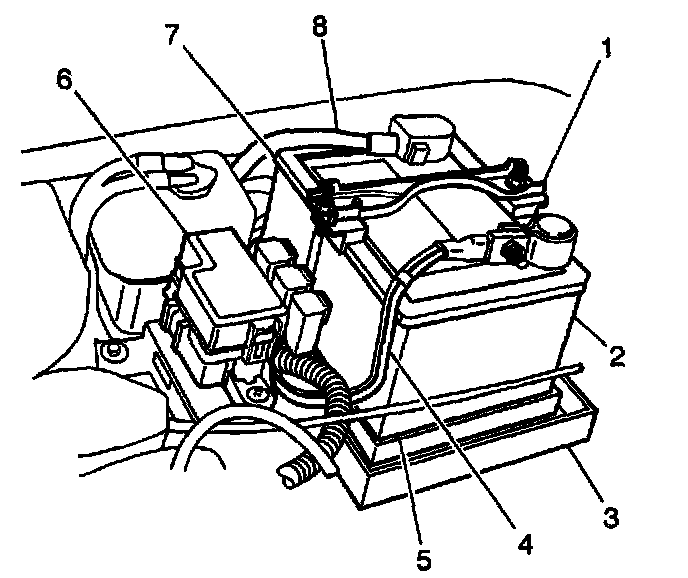
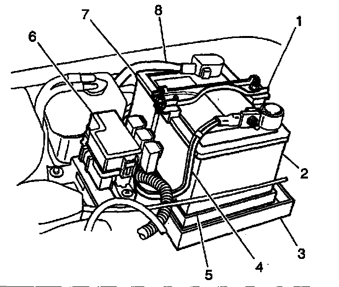
1. Disconnect the negative battery cable (4).

CAUTION: Refer to Battery Disconnect Caution in Service Precautions.

2. Raise the vehicle. Support the vehicle.
3. Remove the vehicle speed sensor electrical connector.
4. Remove one bolt and the vehicle speed sensor from the transmission.

INSTALLATION PROCEDURE





1. Install one bolt and the vehicle speed sensor to the transmission.
2. Install the vehicle speed sensor electrical connector.
3. Lower the vehicle.
4. Connect the negative battery cable (4).