Operation CHARM: Car repair manuals for everyone.
Manuals through 2025 now available!

Our trusted friends have launched a new website named LEMON, which has newer manuals. It also contains all the CHARM manuals.

LEMON is the spiritual successor to CHARM, I recommend you try it!

Link: lemon-manuals.la or lemon-manuals.org.ua

(Some people have issue connecting. LEMON is investigating. For now, use Firefox or change your DNS server)

Or, hide this message: temporarily or permanently

Transfer Case Disassemble

^ Tools Required
- J 37637 Case Separator
- J 8433 Bearing Puller
- J 37756 Output Shaft Bearing Puller Adapter
- J 26941 Needle Bearing Puller
- J 23907 Slide Hammer
- J 34757 Output Shaft Ring Remover
- J 39497 Friction Ring Remover and Installer
- J 22912-01 Split Plate
- J 34844 Front Shaft Bearing Remover
- J 28406 Input Gear Bearing Remover
- J 26900-5 Vernier Caliper





1. Remove the following components from the rear case:
^ The four-wheel drive switch
^ The steel ball

2. Remove the following components from the rear of the case (if equipped):
2.1. The four-wheel drive low switch
2.2. The steel ball
(If needed, use a magnet in order to remove the steel ball from the case.)
3. Remove the following components from the rear case:
^ One bolt
^ The speedometer driven gear case





4. Remove the following components from the rear case:
4.1. The five bolts
4.2. The gearshift lever case





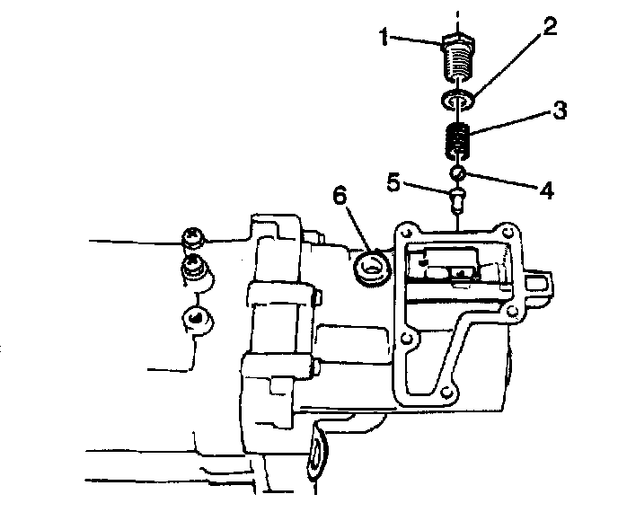
5. Remove the following components from the rear case (6):
^ The select return spring bolt (1)
^ The washer(2)
^ The select return spring (3)
^ The select return ball (4)
^ The select return pin (5)





6. Use a standard drift punch and a hammer in order to remove the reduction shift yoke roll pin from the reduction shift yoke.

IMPORTANT: Driving the reduction shift yoke roll pin down will cause the pin to fall down into the transfer case assembly. Use a magnet during the removal of the reduction shift yoke roll pin after removing the rear case.

7. Slide the reduction shift yoke rearward.
Pull the reduction shift yoke off the reduction shift shaft and out of the rear case.
8. Remove the fifteen rear case bolts.





9. Separate the rear case from the center case using a J 37637.
10. Remove the selective shim from the top of the rear output shaft rear bearing.





11. Use the J 34757 in order to remove the following components from the rear output shaft:
11.1. The speedometer drive gear C-clip
11.2. The speedometer drive gear





12. Use the J 34757 in order to remove the rear output shaft rear bearing C-clip from the rear output shaft.





13. Use a J 8433 with a J 37756 in order to remove the rear output shaft rear bearing from the rear output shaft.





14. Remove the following components from the rear output shaft:
14.1. The drive sprocket bushing
14.2. The drive sprocket needle bearing

IMPORTANT: Do not lose the rear output shaft washer ball underneath the drive sprocket bushing during the sprocket bushing removal.





15. Remove the following drive components from the rear output shaft and the front output shaft:
15.1. The drive sprocket
15.2. The drive chain
15.3. The rear output shaft washer ball





16. Use the J 26941 with the J 23907 in order to remove the rear output shaft oil seal from the rear case.





17. Use the J 26941 with the J 23907 in order to remove the rear output shaft needle bearing from the rear case.





18. Remove the following components from the front case:
18.1. One bolt
18.2. The countershaft case plate





19. Remove the nine front case bolts from the front case.





20. Separate the front case from the center case.
21. Remove the countershaft assembly from the center case.





22. Remove the following components from the countershaft (9):
22.1. The countershaft washers (1, 7)
22.2. The washer balls (3)

IMPORTANT: Do not lose the countershaft washer balls which come out from between the countershaft (9) and the countershaft washers. (1, 7).

23. Remove the following components from the countershaft:
^ The counter gear (6)
^ The countershaft needle bearings (4, 8)
^ The countershaft spacer (5)

24. Inspect the countershaft friction ring for excessive wear or damage.
Replace as necessary.
25. Inspect the countershaft O-ring for cuts or other damage.
Replace as necessary.

IMPORTANT: Neither the countershaft friction ring (10) or the O-ring (2) should be removed unless absolutely necessary. If either is removed, they must both be replaced with new components.

26. Remove the countershaft O-ring from the countershaft.





27. Use the J 39497 and a press arbor (2) in order to remove the countershaft friction ring (1) from the countershaft (3).





28. Remove the following components from the center case:
^ The two rubber plugs (1)
^ The two locating screws (4)
^ The two washers
^ The two locating springs (3)
^ The two locating balls (2)
^ The reduction clutch sleeve and hub
^ The front drive clutch sleeve and hub

IMPORTANT: Make note of the alignment marks on the following components:
This will ensure correct alignment during assembly.
If there are no alignment marks, scribe new marks on these components.





29. Remove the following components from the rear output shaft, in front of the center case:
29.1. The reduction shift shaft (2)
29.2. The reduction shift fork (1)
29.3. The reduction clutch sleeve (3)
30. Remove the following components from the rear output shaft, in the rear of the center case:
^ The front drive shift shaft
^ The front drive shift fork
^ The front drive clutch sleeve
^ The front drive clutch hub

31. Remove the interlock ball from the center case passage.
32. Use the J 34757 in order to remove the reduction hub C-clip (3) from the rear output shaft.





33. Remove the following components from the rear output shaft.
^ The reduction clutch hub
^ The low output gear
^ The low output gear needle bearing





34. Use a plastic mallet in order to remove the rear output shaft from the center case.





35. Use a J 22912-01 and a press arbor in order to remove the rear output shaft front bearing from the rear output shaft.





36. Use a plastic mallet in order to remove the following components from the center case:
36.1. The front output shaft
36.2. The bearings





37. Remove the following components from the center case:
37.1. One bolt
37.2. The case gutter





38. Use the J 26941 with the J 23907 in order to remove the front output shaft oil seal from the center case.





39. Use the J 26941 with the J 23907 in order to remove the front output shaft needle bearing from the center case.





40. Use the J 22912-01 with a J 34844 and a press arbor in order to remove the front output shaft bearings from the front output shaft.





41. Remove the input gear bearing C-clip from the input gear.





42. Use a plastic mallet in order to remove the input gear from the front case.





43. Remove the following components from the rear case:
43.1. One bolt
43.2. The oil guide





44. Use the J 26941 with the J 23907 in order to remove the input gear oil seal from the front case.





45. Remove the input gear Snap Ring from the input gear.





46. Use the J 22912-01 with a J 28406 and a press arbor in order to remove the input gear bearing from the input gear.
47. Remove one roll pin from the reduction shift fork.
48. Remove the reduction roll fork from the reduction shift shaft.
49. Remove the following components from the front drive shift shaft:
^ The two C-clips
^ The shaft stop washer
^ The front drive shift fork
^ The front drive fork spring

50. Clean the following front case components thoroughly with clean solvent:
Thoroughly dry the components.
^ The front case
^ The rear case
^ The center case
Pay particular attention to all case component mating surfaces in order to ensure proper case sealing.

51. Clean all of the internal components with solvent.
Thoroughly dry the components.
52. Inspect the following components for cracks or porosity:
^ The front case
^ The rear case
^ The center case
^ The gearshift lever case
Replace as necessary.

53. Inspect the drive teeth and the clutching teeth of all of the gears and sprockets for the following conditions:
^ Broken teeth
^ Chipped teeth
^ Gear clash damage

54. Inspect the shift shafts and the forks for the following conditions:
^ Excessive wear
^ Distortion
Replace as necessary

55. Inspect the clutch hubs and the sleeves for the following conditions:
^ Poor fit
^ Cracked teeth
^ Broken teeth
Replace as necessary

56. Inspect the locating springs for the following conditions:
^ Weakness
^ Distortion
Replace as necessary





57. Use the J 26900-5 in order to measure each locating spring.
Standard spring length is 19.5 mm (0.768 inch).
If a spring length measures below 18.0 mm (0.709 inch), replace the springs as necessary.





58. Use a feeler gage in order to measure the shift fork-to-clutch sleeve clearance.
^ The maximum shift fork-to-clutch sleeve clearance is 1.0 mm (0.039 inch).
^ If the clearance is greater than 1.0 mm (0.039 inch), replace the shift fork and the clutch sleeve as necessary.