Operation CHARM: Car repair manuals for everyone.
Manuals through 2025 now available!

Our trusted friends have launched a new website named LEMON, which has newer manuals. It also contains all the CHARM manuals.

LEMON is the spiritual successor to CHARM, I recommend you try it!

Link: lemon-manuals.la or lemon-manuals.org.ua

(Some people have issue connecting. LEMON is investigating. For now, use Firefox or change your DNS server)

Or, hide this message: temporarily or permanently

Timing Chain: Service and Repair

REMOVAL PROCEDURE

^ TOOLS REQUIRED
- J 5825-A Crankshaft Sprocket Remover





1. Remove the engine front cover.
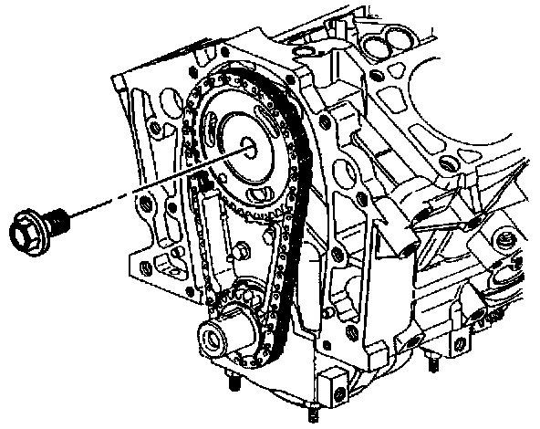
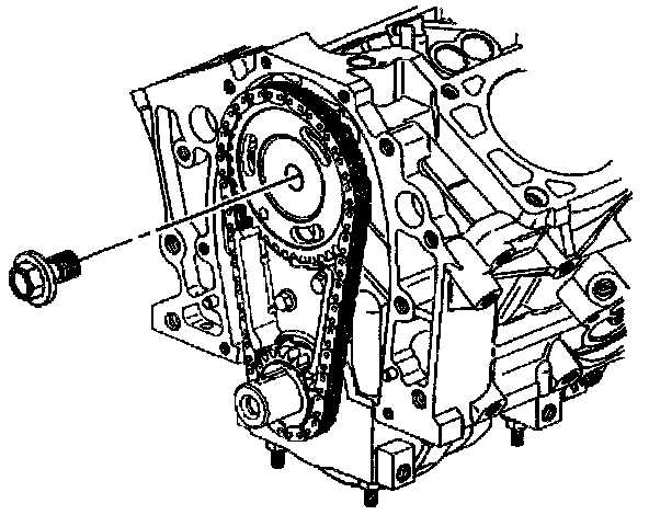
2. Rotate the crankshaft until the timing marks in the following locations are aligned:
^ The camshaft alignment pin (1).
^ The timing chain dampener (2) to the crankshaft sprocket (3).
^ The crankshaft key (4).
^ The timing chain dampener (5) to the camshaft sprocket locator hole (6).





3. Remove the camshaft sprocket bolt.





4. Remove the camshaft sprocket.





5. Remove the timing chain.





6. Use the J 5825-A in order to remove the crankshaft sprocket.





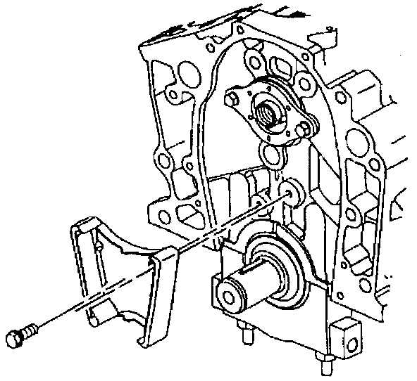
7. Remove the timing chain dampener bolts.
8. Remove the timing chain dampener.





9. If necessary remove the camshaft thrust plate bolts.
10. Remove the camshaft thrust plate.
11. Clean and inspect the timing chain and gears.

INSTALLATION PROCEDURE

^ TOOLS REQUIRED
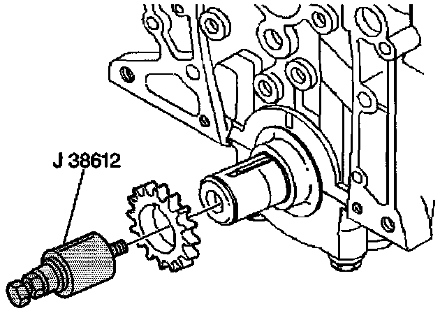
- J 38612 Crankshaft Sprocket Installer





1. If removed install the camshaft thrust plate.
2. Install the camshaft thrust plate bolts.
^ Tighten the camshaft thrust plate bolts to 10 Nm (89 inch lbs.).





3. Install the crankshaft sprocket using the J 38612.
4. Remove the J 38612.
5. Apply Engine Oil Supplement (SOS) to the sprocket thrust surface.





6. Install the timing chain dampener to the block.
^ Tighten the timing chain dampener bolts to 21 Nm(15 ft. lbs.).





7. Install the timing chain onto the camshaft gear.





8. Hold the camshaft sprocket with the chain hanging down, and install the chain to the crankshaft gear.





9. Align the crankshaft timing mark (3) to the timing mark on the bottom of the timing chain dampener (2).
10. Align the timing mark on the camshaft gear, center line of the locator hole (6), with the timing mark on the top of the chain dampener (5).
11. Align the dowel in the camshaft with the dowel hole in the camshaft sprocket (1).





12. Install the camshaft sprocket bolt.
13. Draw the camshaft sprocket onto the camshaft using the mounting bolt.
^ Tighten the camshaft sprocket bolt to 140 Nm (103 ft. lbs.).

14. Coat the crankshaft and camshaft sprocket with engine oil.
15. Install the engine front cover.