Operation CHARM: Car repair manuals for everyone.
Manuals through 2025 now available!

Our trusted friends have launched a new website named LEMON, which has newer manuals. It also contains all the CHARM manuals.

LEMON is the spiritual successor to CHARM, I recommend you try it!

Link: lemon-manuals.la or lemon-manuals.org.ua

(Some people have issue connecting. LEMON is investigating. For now, use Firefox or change your DNS server)

Or, hide this message: temporarily or permanently

Timing Cover: Service and Repair

REMOVAL PROCEDURE





1. Disconnect the battery ground (negative) cable.
2. Drain the engine coolant from the cooling system.
3. Drain the engine oil.
4. Remove the crankshaft balancer.
5. Remove the drive belt tensioner.
6. Remove the power steering pump with lines. Move the power steering pump aside.
7. Disconnect the thermostat bypass pipe from the engine front cover.
8. Disconnect the radiator outlet hose from the coolant pump.
9. Remove the coolant pump pulley.
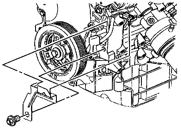
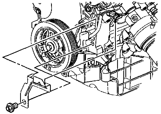
10. Remove the upper crankshaft position sensor wiring harness bracket from the engine front cover.





11. Remove the lower crankshaft position sensor wiring harness bracket from the engine front cover.





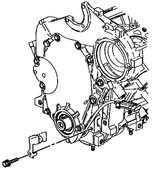
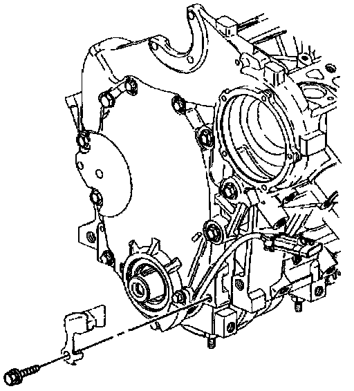
12. Remove the engine front cover bolts (1, 2 and 3).
13. Remove the engine front cover.





14. Remove the engine front cover gasket.
15. Clean the engine front cover and engine block gasket sealing surfaces.
16. Inspect the engine front cover for damage to the engine front cover, crankshaft front oil seal or the gasket sealing surface.





17. If you are replacing the engine front cover, remove the drive belt shield.





18. If you are replacing the engine front cover, remove the crankshaft position sensor from the engine front cover.
19. If you are replacing the engine front cover, remove the coolant pump from the engine front cover.

INSTALLATION PROCEDURE





1. If removed, install the coolant pump to the engine front cover.
2. If removed, install the crankshaft position sensor to the engine front cover.





3. If removed, install the drive belt shield.
4. Install the drive belt shield bolt.
^ Tighten the drive belt shield bolt to 10 Nm (89 inch lbs.).





5. Coat both sides of the lower tabs of the engine front cover gasket with sealant.





6. Install the engine front cover gasket.





7. Install the engine front cover.
8. Install the engine front cover bolts.
^ Tighten the five small engine front cover bolts (1) to 21 Nm (15 ft. lbs.).
^ Tighten the three large engine front cover bolts (2) to 55 Nm (41 ft. lbs.).
^ Tighten the two large engine front cover bolts (3) to 47 Nm (35 ft. lbs.).





9. Install the lower crankshaft position sensor wiring harness bracket to the engine front cover.





10. Install the upper crankshaft position sensor wiring harness bracket to the engine front cover.
11. Install the coolant pump pulley.
12. Connect the radiator outlet hose to the coolant pump.
13. Connect the thermostat bypass pipe to the engine front cover.
14. Install the power steering pump with lines.
15. Install the drive belt tensioner.
16. Install the crankshaft balancer.
17. Fill the engine with new engine oil.
18. Fill the cooling system with engine coolant.
19. Connect the battery ground (negative) cable.