Operation CHARM: Car repair manuals for everyone.
Manuals through 2025 now available!

Our trusted friends have launched a new website named LEMON, which has newer manuals. It also contains all the CHARM manuals.

LEMON is the spiritual successor to CHARM, I recommend you try it!

Link: lemon-manuals.la or lemon-manuals.org.ua

(Some people have issue connecting. LEMON is investigating. For now, use Firefox or change your DNS server)

Or, hide this message: temporarily or permanently

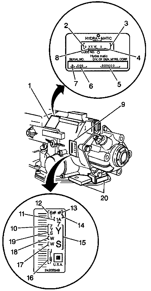
Transmission Identification

Transmission Identification:






LEGEND
(1) Goodwrench(R) Tag Location
(2) Year
(3) Not Used
(4) Remanufacturing Site Code
(5) Serial Number
(6) Julian Date
(7) Year Remanufactured
(8) Model
(9) Transmission Identification Plate Location
(10) Model Year
(11) Line Build
(12) GM Production Code
(13) Julian Date
(14) Shift
(15) Model
(16) Serial Number in Base Code 31
(17) W = Warren Assembly Plant
(18) W = 4T60E, B = 4T65E
(19) Model
(20) Vehicle Identification Number (VIN) Derivative Stamping Location