Operation CHARM: Car repair manuals for everyone.
Manuals through 2025 now available!

Our trusted friends have launched a new website named LEMON, which has newer manuals. It also contains all the CHARM manuals.

LEMON is the spiritual successor to CHARM, I recommend you try it!

Link: lemon-manuals.la or lemon-manuals.org.ua

(Some people have issue connecting. LEMON is investigating. For now, use Firefox or change your DNS server)

Or, hide this message: temporarily or permanently

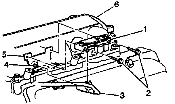
Manifold Pressure/Vacuum Sensor: Service and Repair






REMOVE OR DISCONNECT
1. MAP sensor vacuum line (3).
2. Electrical Connector.
3. Bolts (2).
4. MAP Sensor (1).

INSTALL OR CONNECT
1. Bolts (2).
2. MAP sensor vacuum line (3).
3. MAP sensor electrical connector.