Operation CHARM: Car repair manuals for everyone.
Manuals through 2025 now available!

Our trusted friends have launched a new website named LEMON, which has newer manuals. It also contains all the CHARM manuals.

LEMON is the spiritual successor to CHARM, I recommend you try it!

Link: lemon-manuals.la or lemon-manuals.org.ua

(Some people have issue connecting. LEMON is investigating. For now, use Firefox or change your DNS server)

Or, hide this message: temporarily or permanently

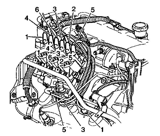
Spark Plug Wire Harness Replacement

REMOVAL PROCEDURE




1. Turn the ignition switch OFF.

NOTICE: Twist the spark plug boot one-half turn in order to release the boot. Pull on the spark plug boot only. Do not pull on the spark plug wire or the wire could be damaged.

2. Note the position of the spark plug wire(s). Remove the spark plug wire(s) from the front spark plug(s) by twisting the boot 1/2 turn before removing the spark plug boot(s).
3. Note the position of the spark plug wire retaining clips. Remove the spark plug wire retaining clips from the engine.
4. Rotate the engine forward.




5. Remove the spark plug wire(s) from the rear spark plug(s).
6. Remove the spark plug wire retaining clips from the rear of the engine.




7. Remove the spark plug wire(s) from the ignition coil(s).




8. Remove the spark plug wire(s) from the engine.
9. If replacing the spark plug wires, transfer any of the following:
^ Boot heat shields
^ Spark plug wire conduit
^ Spark plug wire retaining clips

INSTALLATION PROCEDURE




1. Install the spark plug wire(s) to the engine.
2. Install the spark plug wire(s) to the ignition coil(s).




3. Install the spark plug wire(s) to the rear spark plug(s).
4. Install the spark plug wire retaining clips at the rear of the engine.
5. Return the engine to the proper position.




6. Install the spark plug wire(s) to the front spark plug(s).
7. Install the spark plug wire retaining clips to the front of the engine.