Operation CHARM: Car repair manuals for everyone.
Manuals through 2025 now available!

Our trusted friends have launched a new website named LEMON, which has newer manuals. It also contains all the CHARM manuals.

LEMON is the spiritual successor to CHARM, I recommend you try it!

Link: lemon-manuals.la or lemon-manuals.org.ua

(Some people have issue connecting. LEMON is investigating. For now, use Firefox or change your DNS server)

Or, hide this message: temporarily or permanently

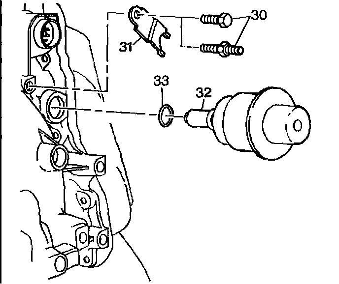
Vacuum Modulator Replacement

REMOVAL PROCEDURE





1. Remove the wiring harness shield nut.
2. Remove the wiring harness shield.
3. Disconnect the vacuum line at the vacuum modulator.





4. Remove the attaching bolt (30) and the clamp (31) at the modulator base.
5. Remove the vacuum modulator (32). Use care to avoid losing the modulator valve (34) from the transaxle case.
6. Remove the O-ring seal (33).
7. To inspect the vacuum modulator refer to Vacuum Modulator Diagnosis.

INSTALLATION PROCEDURE





1. If removed, install the modulator valve (34).





2. Install the new O-ring seal (33).
3. Install the vacuum modulator (32).
4. Install the clamp (31).
5. Install the attaching bolt (30).
^ Tighten the attaching bolt to 27 Nm (20 ft. lbs.).

NOTICE: Refer to Service Precautions in Service Precautions.

6. Connect the vacuum line at the vacuum modulator.





7. Install the wiring harness shield.
8. Install the wiring harness shield nut.
^ Tighten the wiring harness shield nut to 17 Nm (13 ft. lbs.).