Operation CHARM: Car repair manuals for everyone.
Manuals through 2025 now available!

Our trusted friends have launched a new website named LEMON, which has newer manuals. It also contains all the CHARM manuals.

LEMON is the spiritual successor to CHARM, I recommend you try it!

Link: lemon-manuals.la or lemon-manuals.org.ua

(Some people have issue connecting. LEMON is investigating. For now, use Firefox or change your DNS server)

Or, hide this message: temporarily or permanently

Knock Sensor: Service and Repair

REMOVAL PROCEDURE





CAUTION: Refer to Battery Disconnect Caution In Service Precautions.

1. Disconnect the negative battery cable.
2. Remove the engine cover.
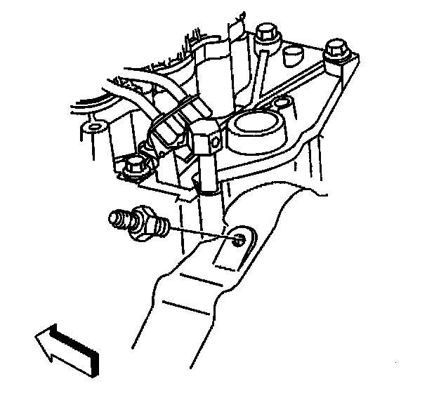
3. Disconnect the knock sensor harness connector.




4. Remove the knock sensor.

INSTALLATION PROCEDURE





NOTE: Refer to Component Tightening Notice in Service Precautions.

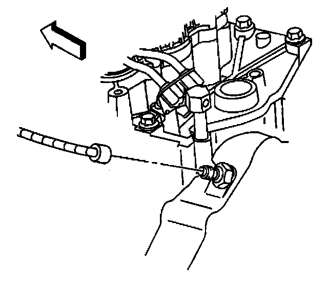
1. Install the knock sensor.

Tighten
Tighten the sender to 20 N.m (15 lb ft)




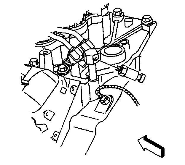
2. Connect the knock sensor harness connector.
3. Install the engine cover.
4. Connect the negative battery cable.