Operation CHARM: Car repair manuals for everyone.
Manuals through 2025 now available!

Our trusted friends have launched a new website named LEMON, which has newer manuals. It also contains all the CHARM manuals.

LEMON is the spiritual successor to CHARM, I recommend you try it!

Link: lemon-manuals.la or lemon-manuals.org.ua

(Some people have issue connecting. LEMON is investigating. For now, use Firefox or change your DNS server)

Or, hide this message: temporarily or permanently

Oil Pressure Sensor: Service and Repair

Removal Procedure

^ Tools Required
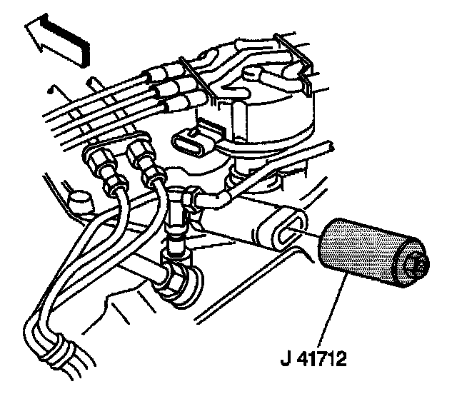
- J41712 Oil Pressure Switch Socket.





1. Remove the engine cover.
2. Disconnect the engine oil pressure sensor gauge electrical connector.
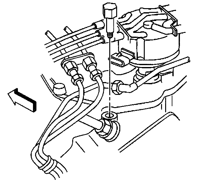
3. Hold the engine oil pressure gauge sensor fitting with a wrench.
4. Remove the engine oil pressure gauge sensor using J41712.





Important: Note the alignment of the engine oil pressure gauge sensor fitting prior to removal.
5. Remove the engine oil pressure gauge sensor fitting, if necessary.


Installation Procedure

^ Tools Required
- J 41712 Oil Pressure Switch Socket

Notice: Refer to Fastener Notice in Service Precautions.





1. Install the engine oil pressure gauge sensor fitting, if removed.
1.1. Tighten the engine oil pressure gauge sensor fitting to 15 Nm (11 ft. lbs.).

Important: Do not loosen the sensor fitting. Do not tighten the sensor fitting more than one turn.

1.2. Tighten the sensor fitting until properly align.





2. Install the engine oil pressure gauge sensor.
3. Hold the engine oil pressure gauge sensor fitting with a wrench to prevent from turning.
Using J41712 tighten the engine oil pressure gauge sensor to 30 Nm (22 ft. lbs.).
4. Install the engine oil pressure gauge sensor electrical connector.
5. Install the engine cover.