Operation CHARM: Car repair manuals for everyone.
Manuals through 2025 now available!

Our trusted friends have launched a new website named LEMON, which has newer manuals. It also contains all the CHARM manuals.

LEMON is the spiritual successor to CHARM, I recommend you try it!

Link: lemon-manuals.la or lemon-manuals.org.ua

(Some people have issue connecting. LEMON is investigating. For now, use Firefox or change your DNS server)

Or, hide this message: temporarily or permanently

Electronic Brake Control Module: Service and Repair

REMOVAL PROCEDURE

IMPORTANT: After installation, calibrate the new EBCM to the tire size that is appropriate to the vehicle. Refer to Tire Size Calibration and to Trim Level Calibration portions of ABS System Description.

CAUTION: Refer to Battery Disconnect Caution in Service Precautions.





1. Negative Battery Cable.
2. Raise the vehicle.
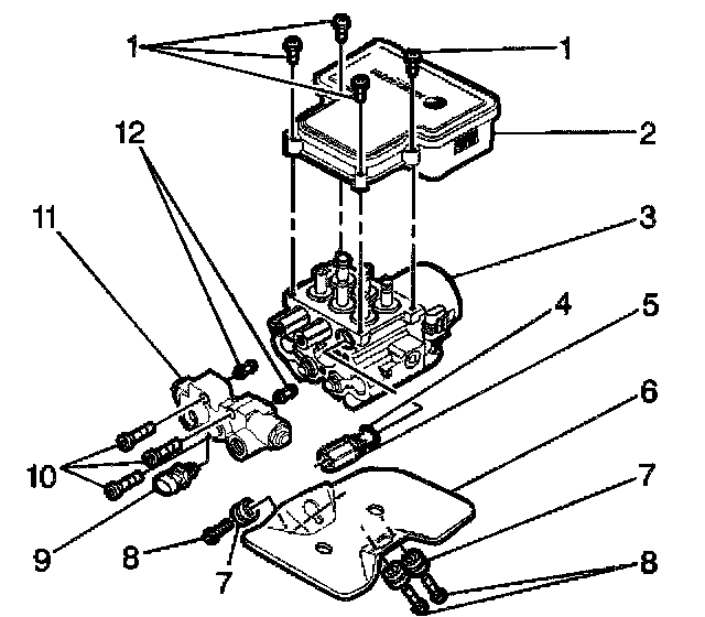
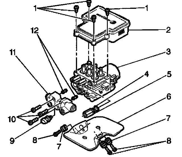
3. Remove two 13 mm weld/stud nuts fastening the shield and the BPMV to the EHCU mounting bracket.
4. Disconnect three electrical connectors from the EBCM.
5. Remove the four T-25 Torx(R) screws (1) that fasten the EBCM (2) to the BPMV (3).

IMPORTANT: Do not use a tool to pry the EBCM or the BPMV. Excessive force will damage the EBCM.

6. Fully remove the EBCM from the BPMV (3).

INSTALLATION PROCEDURE

IMPORTANT: Do not use RTV or any other type of sealant on the EBCM gasket or mating surfaces.





1. Install EBCM (2) on to the BPMV (3).

NOTICE: Refer to Fastener Notice in Service Precautions.

IMPORTANT: Do not reuse the old mounting screws. Always install new mounting screws with the new EBCM.

2. Install the four new T-25 Torx(R) screws (1) in the EBCM (2).

^ Tighten the four T-25 Torx(R) screws to 5 Nm (39 inch lbs.) in an X-pattern.

3. Connect three electrical connectors to the EBCM.





4. Install two 13 mm weld/stud nuts fastening the shield and the BPMV (3) to the EHCU mounting bracket (6).

^ Tighten two 13 mm weld/stud nuts to 25 Nm (18 ft. lbs.).

5. Lower the vehicle.
6. Connect the negative battery cable.
7. Revise the tire calibration using the Scan Tool. Refer to Scan Tool Diagnostics.
8. Go to ABS Diagnostic System Check.