Operation CHARM: Car repair manuals for everyone.
Manuals through 2025 now available!

Our trusted friends have launched a new website named LEMON, which has newer manuals. It also contains all the CHARM manuals.

LEMON is the spiritual successor to CHARM, I recommend you try it!

Link: lemon-manuals.la or lemon-manuals.org.ua

(Some people have issue connecting. LEMON is investigating. For now, use Firefox or change your DNS server)

Or, hide this message: temporarily or permanently

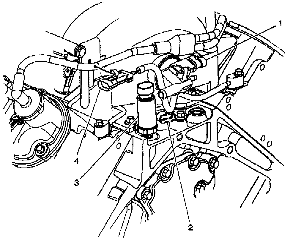
Manifold Pressure/Vacuum Sensor: Description and Operation

Description:





Manifold Absolute Pressure Sensor

The Manifold Absolute Pressure (MAP) sensor (1) responds to changes in the intake manifold pressure. The pressure changes as a result of engine load and speed. The map sensor converts this to a voltage output.

A closed throttle on engine coast down produces a relatively low map output voltage. A wide open throttle produces a high map output voltage. This high output voltage is produced because the pressure inside the manifold is the same as outside the manifold. The MAP is inversely proportional to what is measured on a vacuum gauge. The MAP sensor is used for the following:
^ Altitude determination.
^ Ignition timing control.
^ Speed density fuel management default.

DTC P0107 MAP Sensor Circuit Low Voltage or DTC P0108 MAP Sensor Circuit High Voltage set when the PCM detects a malfunction in the MAP sensor circuit.