Operation CHARM: Car repair manuals for everyone.
Manuals through 2025 now available!

Our trusted friends have launched a new website named LEMON, which has newer manuals. It also contains all the CHARM manuals.

LEMON is the spiritual successor to CHARM, I recommend you try it!

Link: lemon-manuals.la or lemon-manuals.org.ua

(Some people have issue connecting. LEMON is investigating. For now, use Firefox or change your DNS server)

Or, hide this message: temporarily or permanently

Electrical Diagrams





Automatic Transmission Controls Schematics (2ND Gear, Clutch Anticipated Switch)






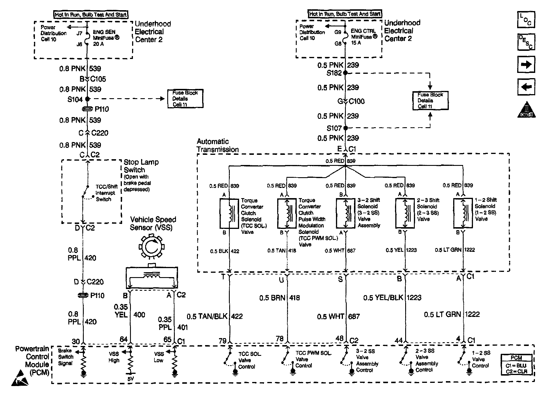
Automatic Transmission Controls Schematics (Brake Switch, TCC Solenoid)






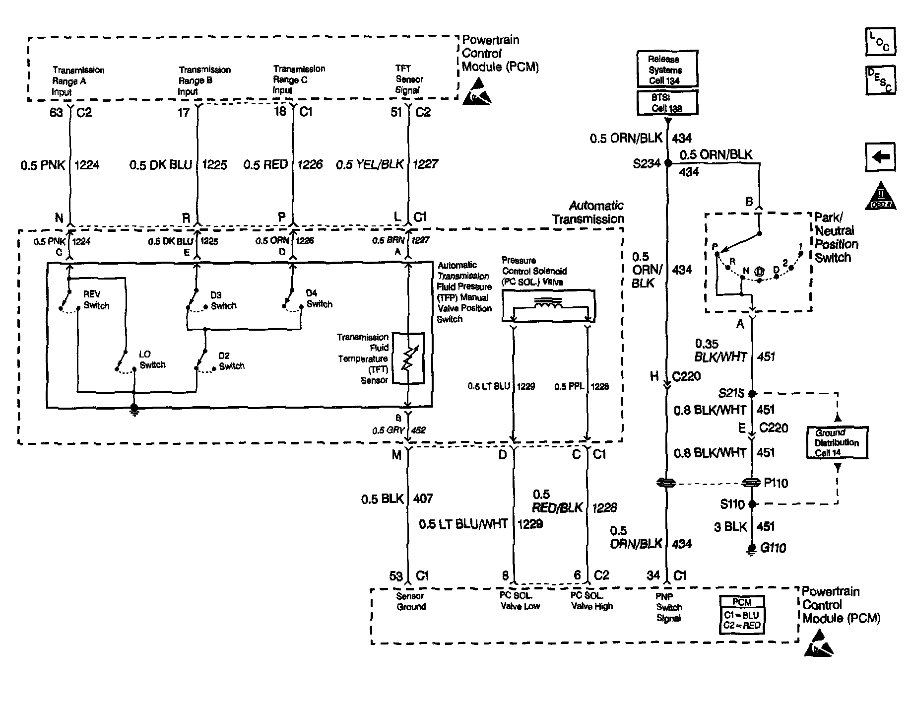
Automatic Transmission Controls Schematics (Trans Range)






Automatic Transmission Controls Schematics (Transmission Control)






Automatic Transmission Controls Schematics (Transmission Controls)