Operation CHARM: Car repair manuals for everyone.
Manuals through 2025 now available!

Our trusted friends have launched a new website named LEMON, which has newer manuals. It also contains all the CHARM manuals.

LEMON is the spiritual successor to CHARM, I recommend you try it!

Link: lemon-manuals.la or lemon-manuals.org.ua

(Some people have issue connecting. LEMON is investigating. For now, use Firefox or change your DNS server)

Or, hide this message: temporarily or permanently

Engine Cranks But Does Not Run


















Circuit Description

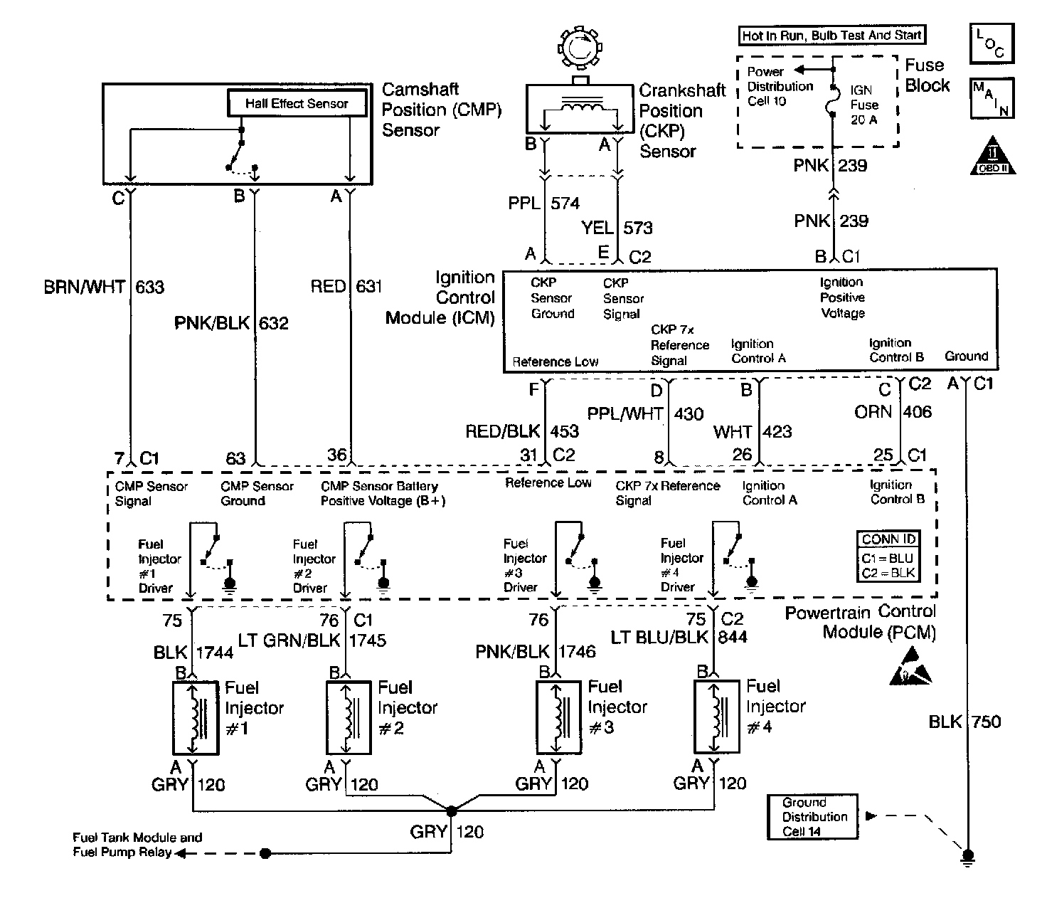
This engine is equipped with a distributorless ignition system called the Electronic Ignition (EI) system. The primary circuit of the EI system consists of 2 separate ignition coils, an electronic Ignition Control Module (ICM) and a Crankshaft Position (CKP) sensor as well as the related connecting wires and the Ignition Control (IC) portion of the PCM. Each secondary circuit consists of the secondary winding of the coil, spark plug wires and the spark plugs.

Important: The Camshaft Position (CMP) Sensor is only used for a misfire detection and is not part of the ignition system.

Diagnostic Aids

^ A small amount of resistance in the battery positive voltage circuit to the PCM may cause a no start with a functioning MIL. Check the battery positive voltage circuit for excessive resistance or corrosion.

^ Check the Throttle Position (TP) sensor for binding or sticking or for being intermittently shorted or open.

^ If the THEFT SYSTEM telltale is flashing on the Instrument Panel Cluster (IPC), the theft deterrent system has been activated, refer to the DTC P1629 Theft Deterrent Fuel Enable Signal Not Received for further diagnosis. P1629

^ Check for water or foreign material in the fuel system.

^ Check for a basic engine problem (low compression).

^ Verify that only resistor spark plugs are used.

^ A scan tool can be used to energize the fuel pump ON to check fuel pump operation and for ignition voltage at the fuel injector harness.

Test Description

Number(s) below refer to the step number(s) on the Diagnostic Table.

1. The Powertrain OBD System Check prompts the technician to complete some basic checks and store the freeze frame and failure records data on the scan tool if applicable. This creates an electronic copy of the data taken when the malfunction occurred. The information is then stored in the scan tool for later reference.

2. Diagnosis of the DTCs that may be set could lead to the cause of the Cranks But Will Not Run condition.

3. The PCM grounds will only cause a problem if all the grounds are not making a good connection. If a PCM ground problem is suspected, the most probable place to check is where all the grounds meet at the engine block.

7. Locate and repair any shorts that may have caused the fuse to open before replacing the fuse.

5. A TP sensor that reads too high may cause an incorrect fueling condition.

9. An engine that has not been started should display ECT and IAT temperatures that are relatively close to each other. During the warmer weather, the IAT readings maybe slightly higher than the ECT readings.

10. If the scan tool loses serial data only while cranking the engine, then the ignition switch is not sending voltage to the PCM while in the crank position.

11. This step looks for a normal barometer reading and a change in MAP sensor values while cranking the engine. This step verifies the MAP sensor can detect the change in the manifold pressure that occurs while cranking the engine. Compare any questionable barometer readings with readings from another vehicle.

12. While cranking the engine, the CKP Activity (7X reference) should increment to 255, then rollover to 0.

14. By testing for spark on all 4 plug wire leads using a spark tester J 26792, each ignition coil(s) ability to produced at least 25,000 volts is verified.

16. The CKP sensor core is a magnet, therefore it should be magnetized.

18. The CKP sensor should output a voltage near 1100-1300 mV as the crankshaft turns. It is possible to trigger the ICM with a voltage as low as 200 mV. If no voltage is produced, a poor CKP sensor electrical connection or malfunctioning CKP sensor is indicated.

21. The test light connected to B+ simulates a reference signal to the PCM. An fuel injector test light can be installed and will blink for every other touch of the test light if the CKP Activity (7X reference) circuit, the PCM and the fuel injector driver are all functioning properly.

Notice: Do not leave the jumper wire connected to the PCM IC circuit connector for longer than 5 seconds at a time. Failure to do so may damage the ignition coil and/or the Ignition Control Module.

27. This step checks the ignition control circuits and the ICM.

36. The replacement PCM must be reprogrammed and the crankshaft position system variation procedure must be performed. Refer to the latest Techline procedures for PCM reprogramming and to the CKP System Variation Learn Procedure for the CKP System Variation Learn Procedure.

39. Battery voltage should be available at the fuel injector ignition feed circuit whenever the fuel pump power feed circuit is switched ON and when the PCM is receiving ignition pulses, during engine cranking or when the engine is running. The ignition switch must be turned OFF for at least 10 seconds to assure that the PCM powers down and will then switch the fuel pump back ON for 2-3 seconds when the ignition switch is turned back ON.

40. The fuel pump is turned ON by the PCM for 2-3 seconds after the ignition switch is first turned ON. This step checks to see if the fuel pump and fuel pump relay are operating correctly and if the fuel pressure is within the proper range. Refer to the Fuel System Diagnosis for the fuel pressure gage installation procedure. Component Tests and General Diagnostics