Operation CHARM: Car repair manuals for everyone.
Manuals through 2025 now available!

Our trusted friends have launched a new website named LEMON, which has newer manuals. It also contains all the CHARM manuals.

LEMON is the spiritual successor to CHARM, I recommend you try it!

Link: lemon-manuals.la or lemon-manuals.org.ua

(Some people have issue connecting. LEMON is investigating. For now, use Firefox or change your DNS server)

Or, hide this message: temporarily or permanently

Transaxle Case Disassemble

^ Tools Required
^ J 3289-20 Base Plate
^ J 33366 Holding Fixture
^ J 35274 Gear Puller
^ J 22888-30 Puller Legs
^ J 22888 Puller
^ J 24256-A Bearing Race Remover
^ J 8092 Driver Handle
^ J 33370 Bearing Race Remover
^ J 26941 Puller
^ J 33367 Puller Bridge
^ J 37245 Bushing Remover
^ J 36190 Universal Driver Handle
^ J 37158 Bearing Remover





1. Remove the clutch release bearing.
2. Attach the transaxle to the J 33366.
3. Attach the J 33366 to the J 3289-20.





4. Remove the rear cover bolts, the rear cover assembly, and the gasket from the transaxle case. Discard gasket.





5. Remove the control box bolts and the control box assembly from the transaxle case.





6. Disassemble control box as follows:
6.1. Remove roll pin.
6.2. Remove the stopper cam and internal lever.
6.3. Remove stopper cam from internal lever.
7. Shift the transaxle into gear using a screwdriver.
8. Remove the crimps in the 5th speed drive and driven gear retaining nuts using a hammer and a punch.





9. Remove the retaining nuts from the input and output shaft.
10. Discard the retaining nuts.
11. Shift the transaxle into neutral.
12. Align the detents on the shift rails.





13. Remove the detent spring retaining bolts, the detent springs and the detent balls for the following gears:
^ The 1st/2nd gear (1)
^ The 3rd/4th gear (2)
^ The 5th gear (3)





14. Remove the reverse detent spring retaining bolts, the detent spring and the detent ball.
15. Put the 5th gear synchronizer in neutral.
16. Remove the 5th gear shift fork roll pin.
17. Discard the roll pin.
18. Remove the following 5th gear components from the output shaft as an assembly:
^ 5th gear synchronizer stopper plate
^ The synchronizer hub
^ The sleeve
^ The roller bearing
^ The shift fork and gear
^ The output shaft 5th gear





19. Remove the 5th speed gear from the input shaft using the J 35274-A. Note the direction of the gear during removal.





20. Remove the screws with Torx(TM) (No. 45) from the bearing retainer.
21. Remove the bearing retainer and the snap ring from the output shaft.
22. Remove the shim from the output shaft.





23. Remove the reverse idler shaft bolt and washer at the transaxle case.





24. Remove the following items from the output shaft using the J 22888 and the J 22888-30:
^ The collar
^ The thrust washer
Note orientation of thrust washer during removal.
25. Remove the snap ring from the input bearing groove.
26. Remove the transaxle case bolts.
27. Separate the transaxle case from the clutch housing.





28. Remove the backup lamp switch.





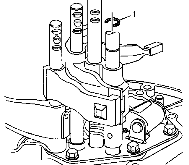
29. Remove the reverse shift shaft snap ring (1).
30. Pull up on the shaft until the interlock pin aligns with the reverse shift shaft detent, approximately 6.35 - 12.7 mm (0.25 - 0.50 inch).





Important: The detent pin (1) is located at the bottom of the 5th shift shaft (2). The detent pin is specific for the 5th shift shaft, do not lose the detent pin.

31. Remove the 5th shift shaft (2).





32. Remove the reverse shift shaft (1).





33. Remove the reverse idle gear.
34. Remove the reverse idle shaft indexing pin.





35. Remove the roll pin (1) from the 1st/2nd shift fork using a punch and hammer.
36. Discard the roll pin.
37. Slide the 1st/2nd shaft and the 1st/2nd shift block as an assembly upward and clear of the housing.
38. Remove the fork and the shaft from the case.





39. Remove the reverse shift lever clevis pin.
40. Remove the reverse shift lever pin.
41. Remove the reverse shift lever.





Important: Do not lose the interlock pin (4) located at the bottom of the 3rd/4th shift shaft. The pins are specific for each shaft.

42. Remove the input and output shafts (1, 2) with the 3rd/4th shift fork and shaft (3) as an assembly. Align flat in stopper plate for necessary clearance.





43. Remove the reverse shift bracket together with the four bolts.





44. Remove the three 10 mm interlock pins. The pin lengths are specific for this location.





45. Remove the differential case assembly from the clutch housing.





46. Remove the outer races for the output shaft front. Use the J 26941 and the J 2619-01.





47. Remove drive axle oil seal from the clutch housing. (Use suitable tool to remove seal).





48. Remove drive axle oil seal from the transmission case. (Use suitable tool to remove seal).





49. Remove the differential side bearing race from the clutch housing using the J26941 and the J 2619-01.





50. Remove the differential side bearing race from the transaxle case using the J 26941 and the J2619-01.





51. Remove the input shaft front bearing from the clutch housing using the J 26941 and the J 2619-01.





52. Remove the input shaft seal from the housing using the J 26941 and the J 2619-01.





53. Remove the magnet from the clutch housing.





54. Remove the bolt and vehicle speed sensor from the clutch housing.