Operation CHARM: Car repair manuals for everyone.
Manuals through 2025 now available!

Our trusted friends have launched a new website named LEMON, which has newer manuals. It also contains all the CHARM manuals.

LEMON is the spiritual successor to CHARM, I recommend you try it!

Link: lemon-manuals.la or lemon-manuals.org.ua

(Some people have issue connecting. LEMON is investigating. For now, use Firefox or change your DNS server)

Or, hide this message: temporarily or permanently

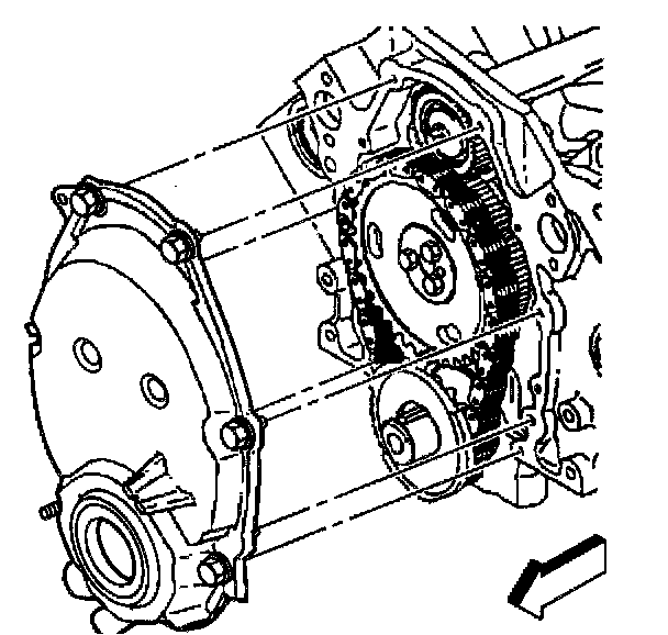
Crankshaft Position Timing Ring: Service and Repair

Removal Procedure





1. Remove the engine front cover.





2. Remove the crankshaft position sensor reluctor ring.

Installation Procedure

Notice: Failure to properly align the crankshaft position sensor reluctor ring may result in component damage and effect OBD II system performance.

Important: The reluctor ring is shaped like a dish.

The dish must face the engine front cover. Failure to do so will damage the front cover and the reluctor ring.





1. Install the crankshaft position sensor reluctor ring.





2. Install the engine front cover.