Operation CHARM: Car repair manuals for everyone.
Manuals through 2025 now available!

Our trusted friends have launched a new website named LEMON, which has newer manuals. It also contains all the CHARM manuals.

LEMON is the spiritual successor to CHARM, I recommend you try it!

Link: lemon-manuals.la or lemon-manuals.org.ua

(Some people have issue connecting. LEMON is investigating. For now, use Firefox or change your DNS server)

Or, hide this message: temporarily or permanently

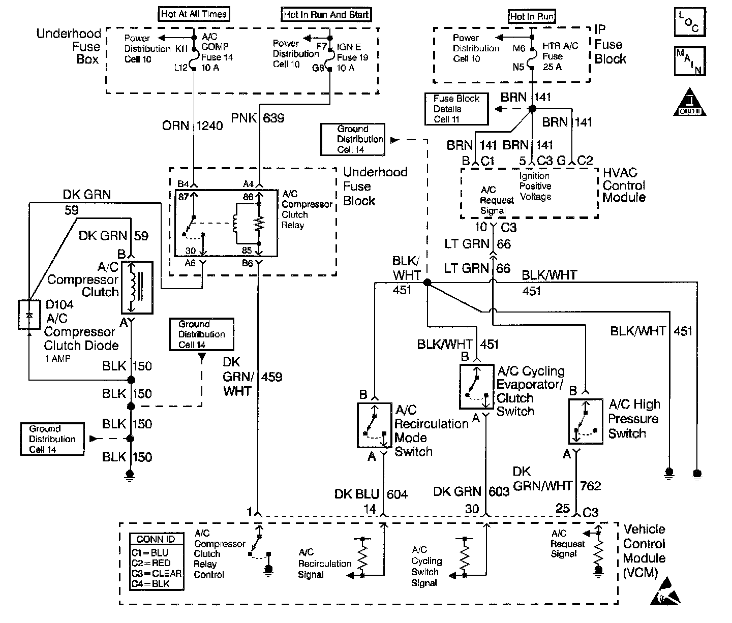
A/C Compressor Control Circuit Diagnosis















Circuit Description
The VCM control of the A/C clutch improves idle quality and performance by performing the following conditions:
^ Delaying clutch engagement until the idle speed is increased
^ Releasing the clutch when the idle speed is too low
^ Providing additional fuel at the instant the clutch is applied

The additional fuel smooths the cycling of the compressor.

Turning the air conditioning ON supplies battery voltage through the pressure switches to the VCM. When the VCM receives the voltage on the A/C request signal, the A/C enable relay circuit is grounded. The A/C compressor clutch then engages.

Diagnostic Aids
An intermittent may be caused by any of the following conditions:
^ A poor connection
^ Rubbed through wire insulation
^ A broken wire inside the insulation

Thoroughly check any circuitry that is suspected of causing the intermittent complaint. Refer to Intermittents and Poor Connections Diagnosis. Symptom Related Diagnostic Procedures