Operation CHARM: Car repair manuals for everyone.
Manuals through 2025 now available!

Our trusted friends have launched a new website named LEMON, which has newer manuals. It also contains all the CHARM manuals.

LEMON is the spiritual successor to CHARM, I recommend you try it!

Link: lemon-manuals.la or lemon-manuals.org.ua

(Some people have issue connecting. LEMON is investigating. For now, use Firefox or change your DNS server)

Or, hide this message: temporarily or permanently

Powertrain Controls




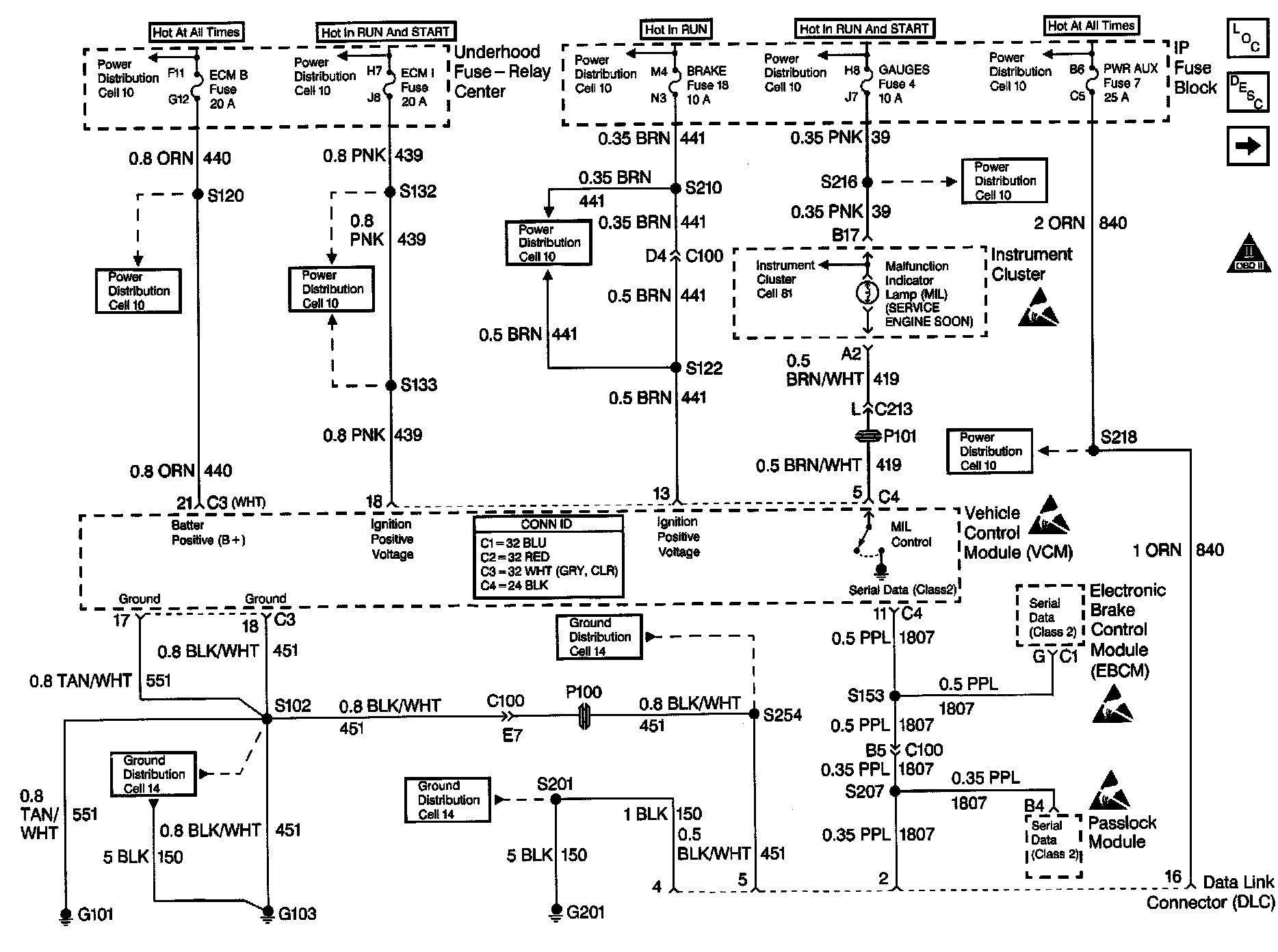
Power, Ground and DLC




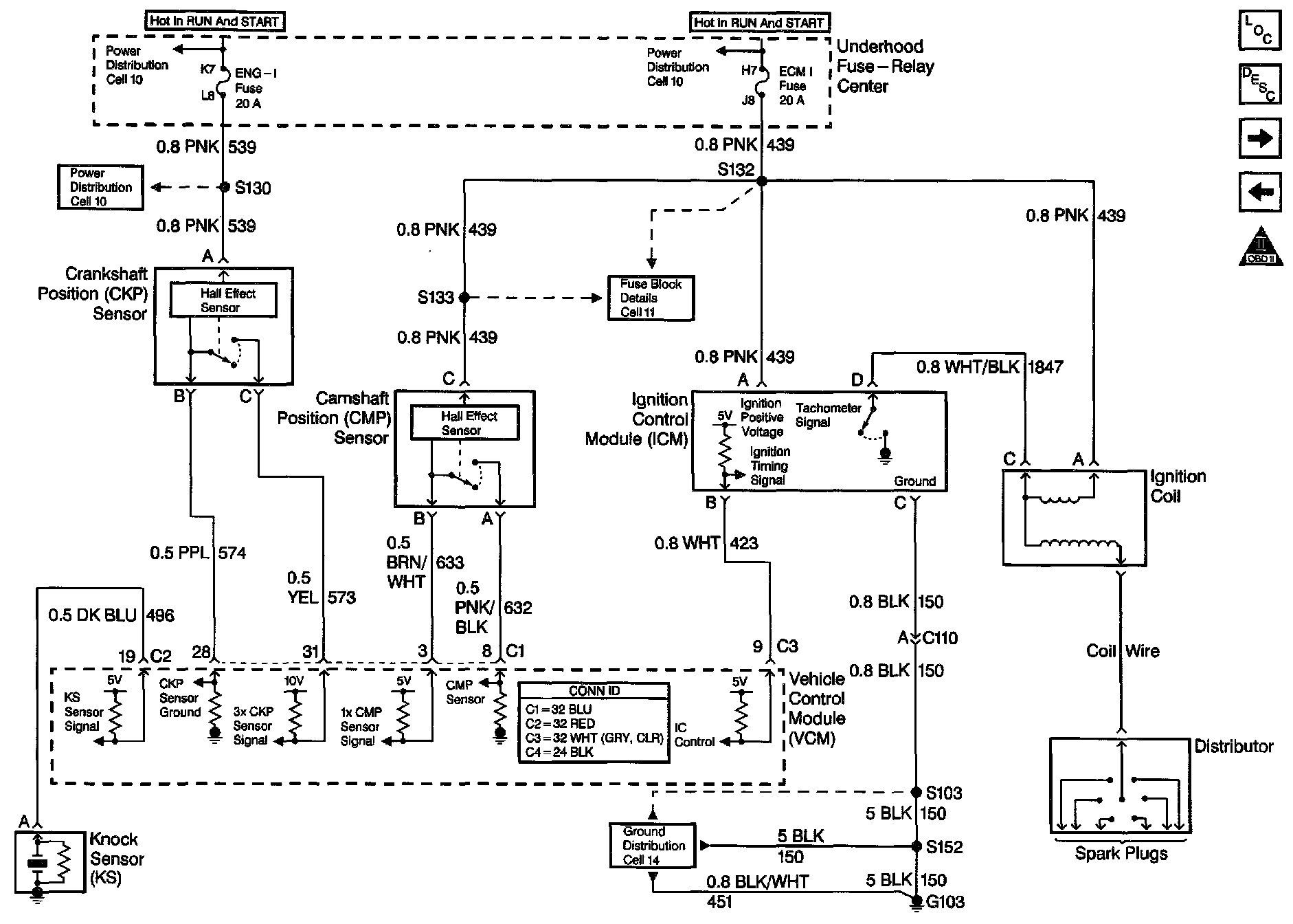
Ignition Controls




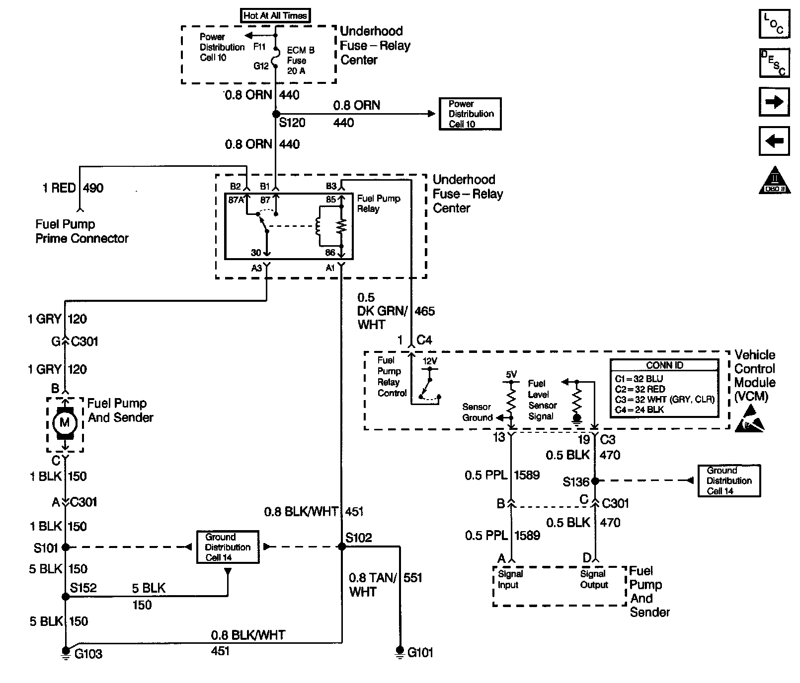
Fuel Pump Controls




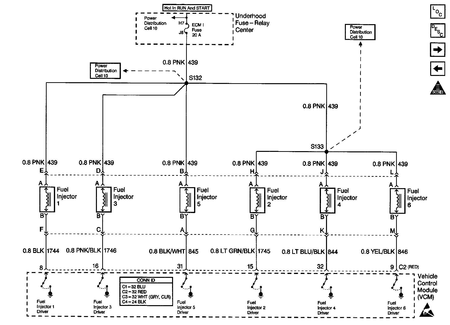
Fuel Injector Controls




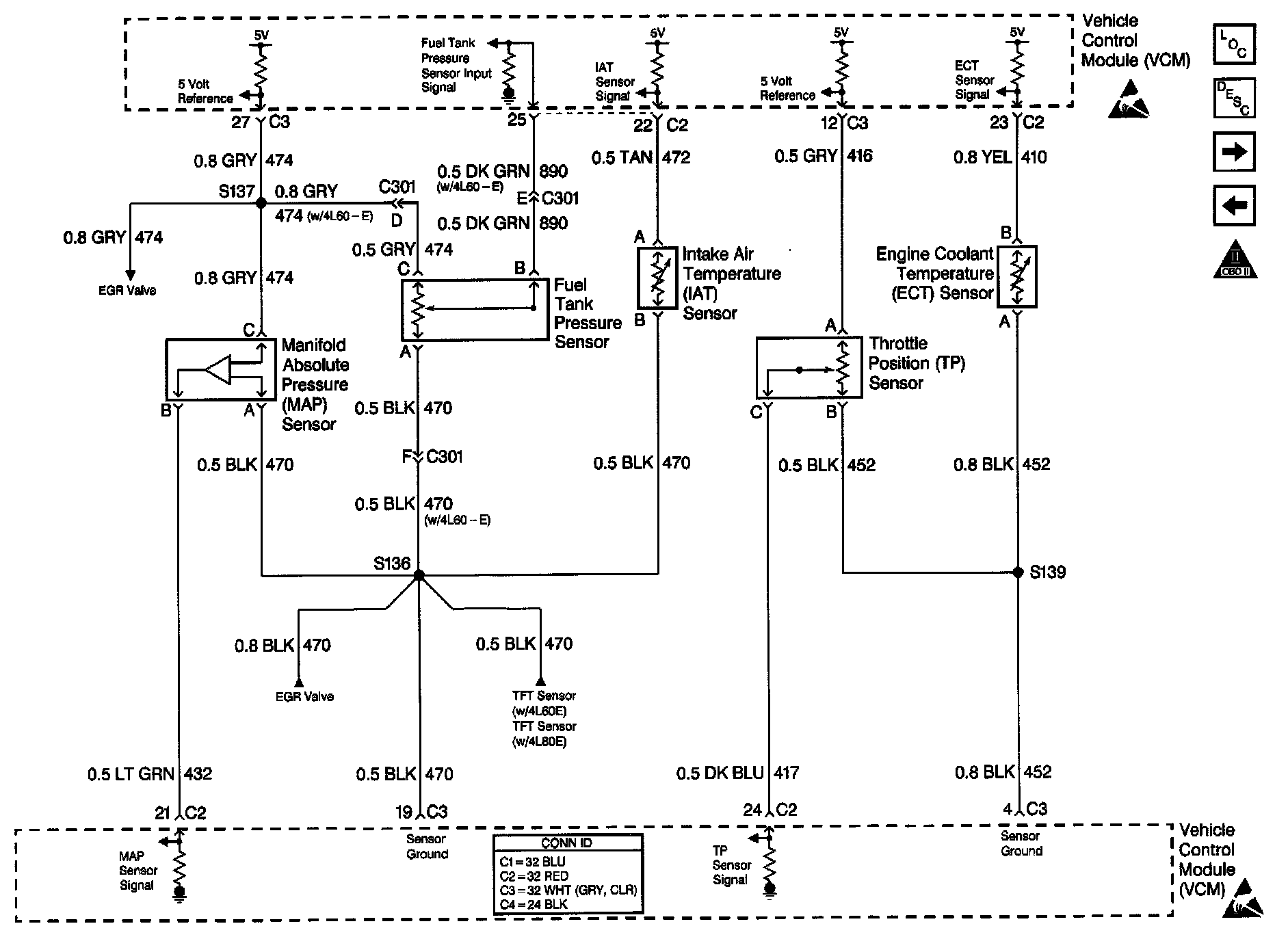
Sensor Controls




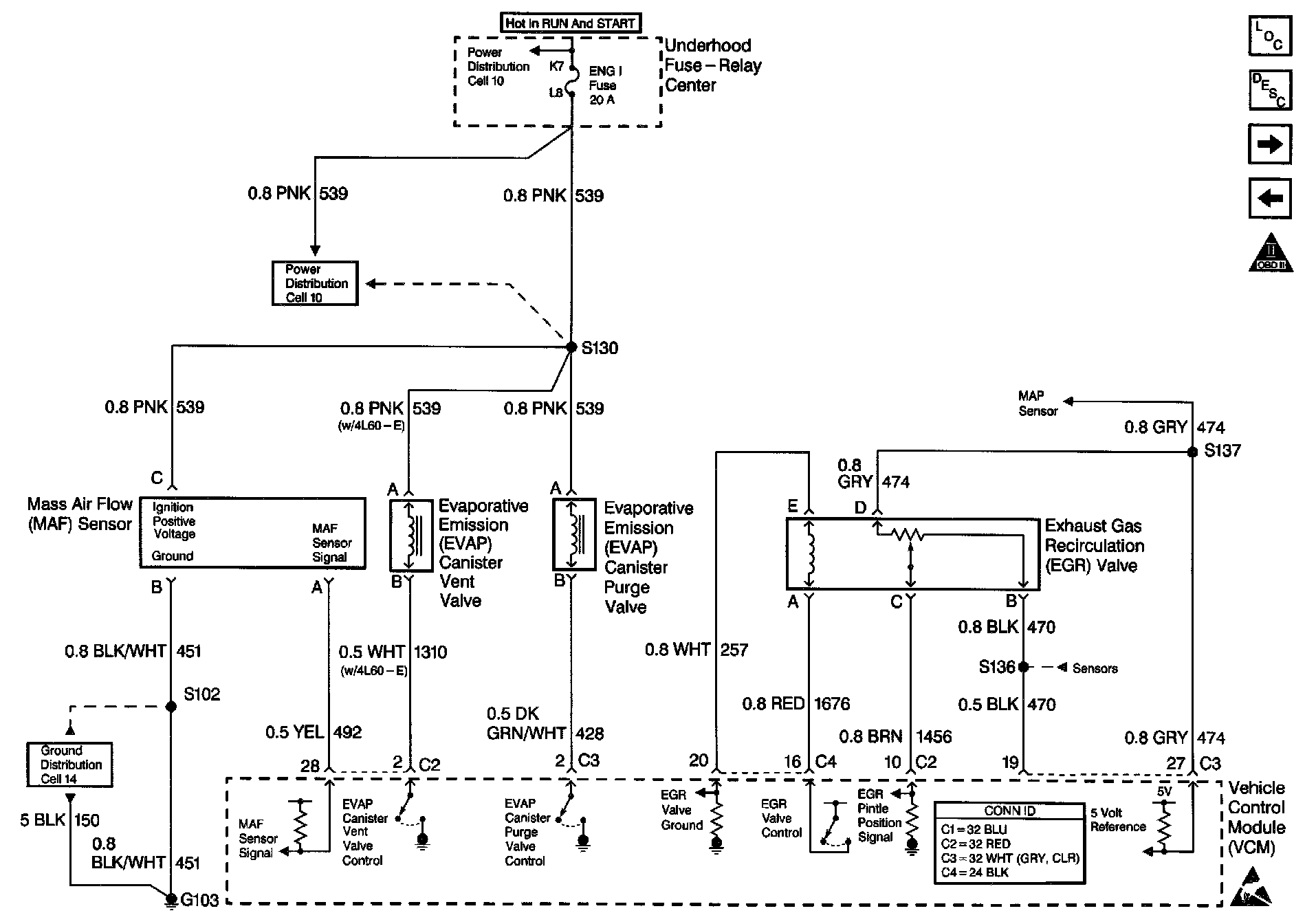
EGR and [1][2]EVAP Controls




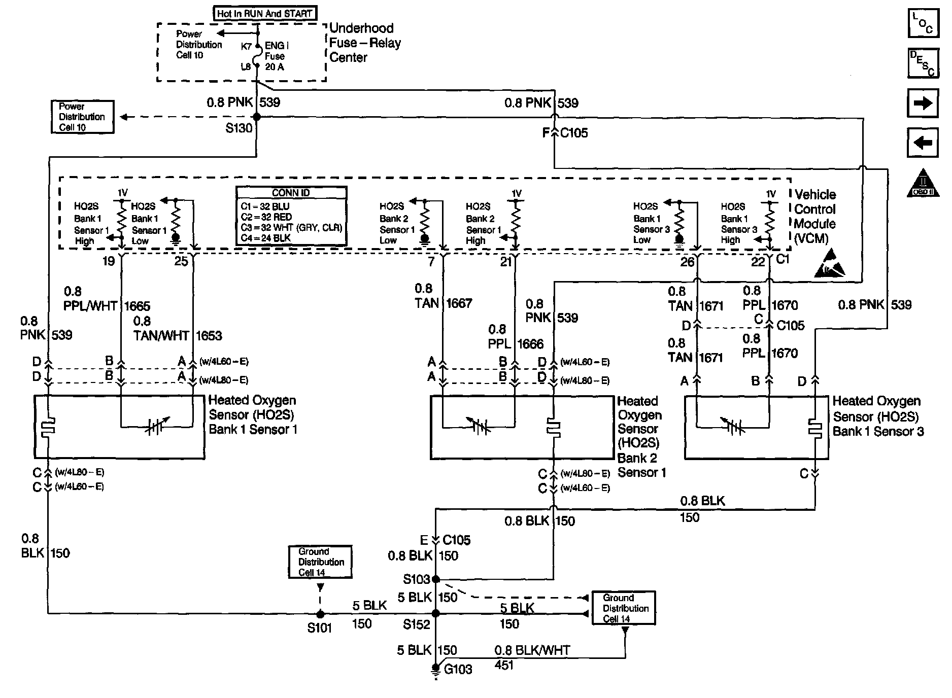
Oxygen Sensor Controls




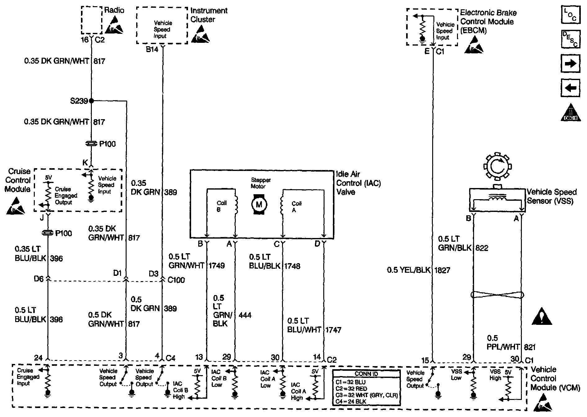
VSS and Cruise Control




Transmission Solenoid Controls (4L60-E)




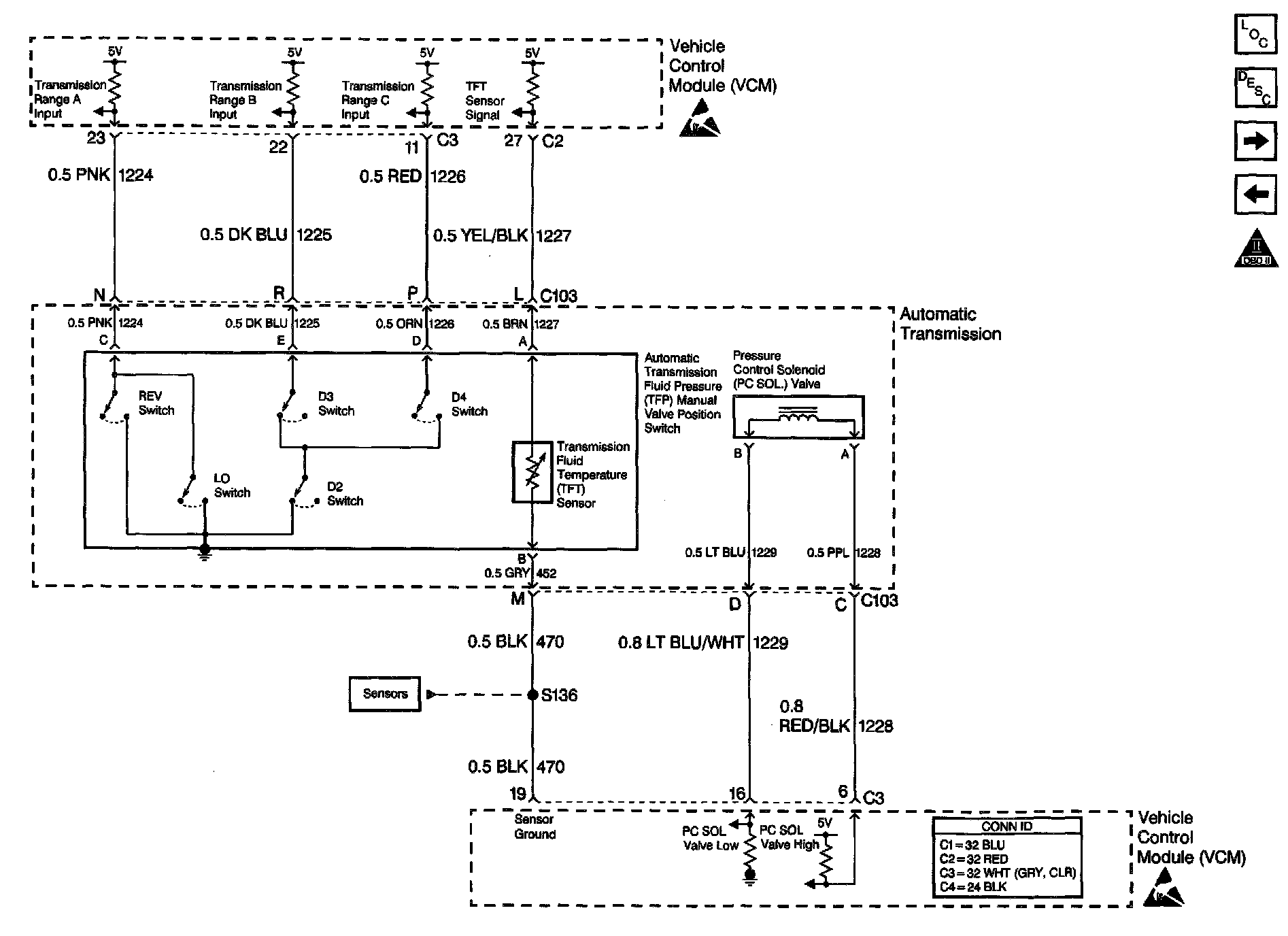
Transmission Switch Controls (4L60-E)




Transmission Solenoid Controls (4L80-E)




Transmission Switch Controls (4L80-E)




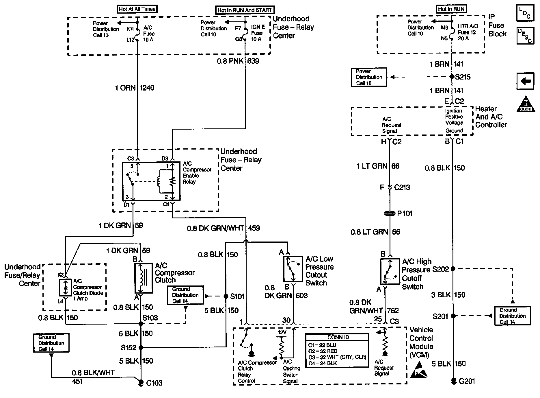
A/C Controls