Operation CHARM: Car repair manuals for everyone.
Manuals through 2025 now available!

Our trusted friends have launched a new website named LEMON, which has newer manuals. It also contains all the CHARM manuals.

LEMON is the spiritual successor to CHARM, I recommend you try it!

Link: lemon-manuals.la or lemon-manuals.org.ua

(Some people have issue connecting. LEMON is investigating. For now, use Firefox or change your DNS server)

Or, hide this message: temporarily or permanently

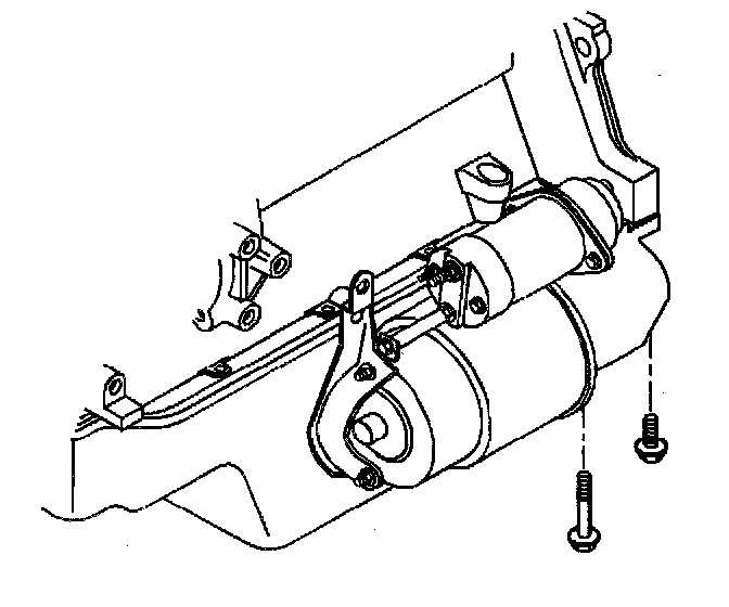
Starter Motor: Service and Repair

REMOVAL PROCEDURE

CAUTION: Refer to Battery Disconnect Caution in Cautions and Notices.

NOTE: Never operate the starter motor for more than 30 seconds at a time. Allow it to cool for at least two minutes. Overheating, caused by too much cranking, will damage the starter motor.




1. Disconnect the battery negative cable.
2. Remove the exhaust manifold pipe.
3. Remove the engine to transmission brace rod mounting bolts.
4. Remove the engine to transmission brace rod.




5. Remove the starter heat shield.

Starter Connection Routing, LH Side:




6. Remove the wires from the starter solenoid.




7. Remove the brush end bracket attaching bolt.




8. Remove the starter motor mounting bolts.
9. Remove the starter from the vehicle.




10. Remove the brush end bracket from the starter, if necessary.

INSTALLATION PROCEDURE



1. Install the brush end bracket to the starter motor.

NOTE: Refer to Fastener Notice in Cautions and Notices.

2. Install the brush end bracket attaching nuts to the starter motor.

Tighten
Tighten the brush end bracket nuts to 11 N.m (97 lb in).

3. Install the starter motor to the vehicle.




4. Install the inboard starter mounting bolt. Do not tighten.




5. Install the brush end bracket mounting bolt to the engine. Do not tighten the bolt.
6. Install the outboard starter mounting bolt.

Tighten
Tighten the starter motor and the brush end bracket attaching bolts to 43 N.m (32 lb ft).

Starter Connection Routing, LH Side:




7. Connect the wires to the starter solenoid.

Tighten
- Tighten the battery positive cable to starter nut to 9 N.m (80 lb in).
- Tighten the engine wiring harness to starter nut to 1.9 N.m (17 lb in).




8. Install the starter heat shield.




9. Install the engine to transmission brace rod.
10. Install the engine to transmission brace rod mounting bolts.

Tighten
Tighten the engine to transmission brace mounting bolts to 50 N.m (37 lb ft).

11. Install the exhaust manifold pipe.
12. Connect the negative battery cable.