Operation CHARM: Car repair manuals for everyone.
Manuals through 2025 now available!

Our trusted friends have launched a new website named LEMON, which has newer manuals. It also contains all the CHARM manuals.

LEMON is the spiritual successor to CHARM, I recommend you try it!

Link: lemon-manuals.la or lemon-manuals.org.ua

(Some people have issue connecting. LEMON is investigating. For now, use Firefox or change your DNS server)

Or, hide this message: temporarily or permanently

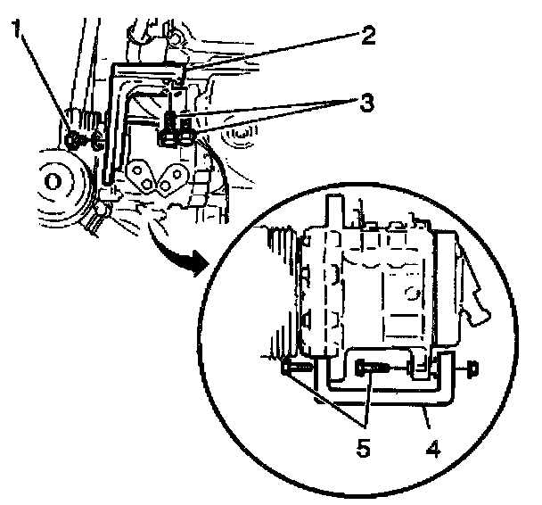
Upper




REMOVAL PROCEDURE
1. Remove the 3 compressor upper mounting bracket bolts (1 3).
2. Remove the bracket (2) from the vehicle.

INSTALLATION PROCEDURE

NOTE: Refer to Fastener Notice in Cautions and Notices.

1. Install the compressor upper mounting bracket (2) and secure with the 3 bolts (1,3).

Tighten
Tighten the compressor upper bracket bolts to 40-60 N.m (29-43 lb ft).

2. Adjust the belt tension. Refer to Drive Belt Replacement in Engine 1.6L.

Tighten
Tighten the compressor mounting bolts 23 N.m (17 lb ft).